EasyManua.ls Logo

Lennox ECOLEAN EAC 1103SM - Page 20

Lennox ECOLEAN EAC 1103SM
40 pages
Print Icon
To Next Page IconTo Next Page
To Next Page IconTo Next Page
To Previous Page IconTo Previous Page
To Previous Page IconTo Previous Page
Loading...
19
FS
B1
B2
CH1
HPR12
CH2
CH3
CH4
HP1
HP2
PT1
LP2
PT2
HPR22
DT1
SVR1
LP1
DT2
SVR2
OT1
B1
B2
FS
LP1
HPR12
SV1
CH2
CH1
HP1
LP2
HP2
HPR22
SV2
CH3
SVR1
SVR2
PT1
PT2
DT1
DT2
B1
B2
FS
LP1
HPR12
SV1
CH2
CH1
HP1
LP2 HP2
HPR22
SV2
CH3
SVR1
SVR2
PT1
PT2
DT1
CH4
DT2
OT1
OT1
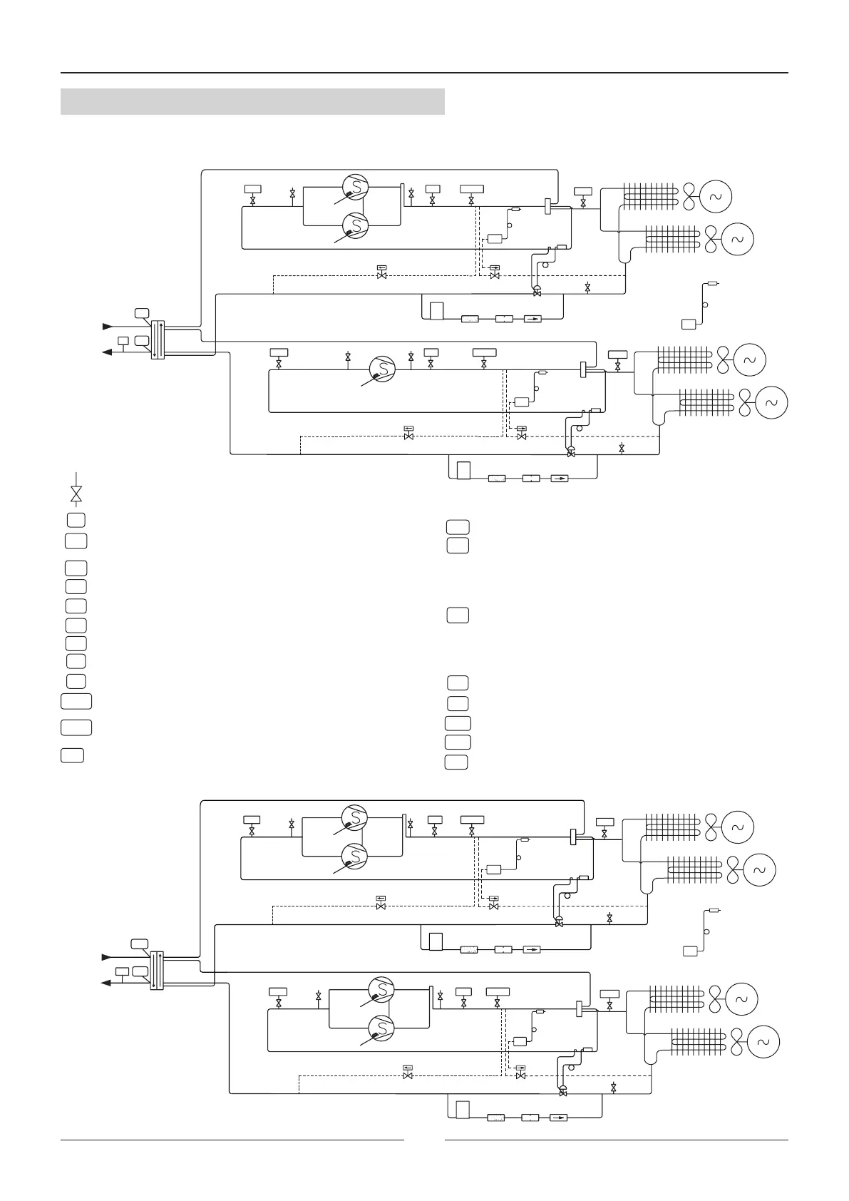
1.8.- PIPING DRAWINGS
HEAT PUMP UNITS EAR 1003SM TO 1403SM
HEAT PUMP UNITS EAR 1604SM TO 1804SM
Pressure gauge
Flow switch (option in standard version)
Water inlet probe (water inlet regulation)
Water outlet probe (anti-freeze protection)
Crank case heater
Condensing pressure control. Low/high speed Circuit 1
Crank case heater
Crank case heater
Crank case heater
High pressure switch circuit 1
High pressure switch circuit 2
Pressure transducer circuit 1:
-Cooling: Condensing pressure control
-Heat pump: Defrost start
Defrost endLow pressure switch heating cycle
circuit 1
Low pressure switch cooling cycle circuit 2
Water
inlet
Water
outlet
Plate
exchanger
Filter drier
Coils
Fan motor
Hot gas injection valve
(option) cooling mode
Scroll compressor
Coils
Fan motor
Scroll compressor
Solenoid valve- Heating
(optionl)
Scroll compressor
Expansion
valve
Check valve
Restrictor
Liquid receiver
Filter drier
Hot gas injection valve (option)
cooling mode
Solenoid valve-Heating
(option)
Expansion
valve
Check valveRestrictor
Liquid receiver
Scroll compressor
Discharge
Thermostat
(option)
Discharge
Thermostat
(option)
Condensing pressure control. Low/high speed Circuit 2
Discharge Thermostat (Heating low ambient kit -15ºC option)
Solenoid valve circuit 1 (Heating low ambient kit -15ºC option)
Low pressure switch cooling cycle circuit 1
Water inlet
Water
outlet
Plate
exchanger
Filter drier
Coils
Fan motor
Hot gas injection valve
(option) cooling mode
Scroll compressor
Coils
Fan motor
Scroll compressor
Solenoid valve-Heating (option)
Scroll compressor
Expansion
valve
Check valve
Restrictor
Liquid receiver
Filter drier
Hot gas injection valve
(option) cooling mode
Expansion
valve
Check valve
Restrictor
Liquid receiver
Discharge
Thermostat
(option)
Discharge
Thermostat
(option)
Solenoid valve-Heating (option)
Pressure transducer circuit 2:
-Cooling: Condensing pressure control
-Heat pump: Defrost start
Defrost endLow pressure switch heating cycle
circuit 2
Discharge Thermostat (Heating low ambient kit -15ºC option)
Solenoid valve circuit 12(Heating low ambient kit -15ºC option)
Fan speed thermostat (Heating)
1.- GENERAL CHARACTERISTICS

Related product manuals