EasyManua.ls Logo

Lennox Enlight LGT180H4M - Page 83

Lennox Enlight LGT180H4M
106 pages
Print Icon
To Next Page IconTo Next Page
To Next Page IconTo Next Page
To Previous Page IconTo Previous Page
To Previous Page IconTo Previous Page
Loading...

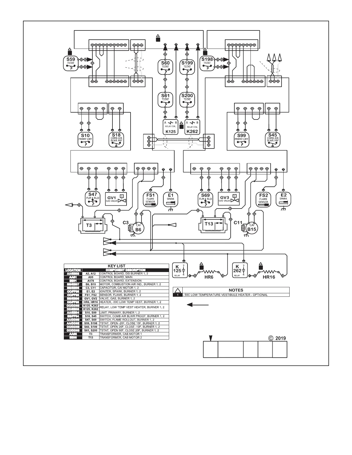
GAS HEAT DIAGRAM
T13
12345678
2
2
1
MP
HI
COM
1
1
2
WHT
COM
HI
MP
BLU
1
RED
1
234
3
56
5
6
2
RED
BLU
WB−004
GRY
WHT
23
600V
230V
WHT
RED
BLK
21
1
4
WHT
WHT
WB−007
7
56
1
1
2
3
8
2
4
3
6
5
1
1
3
2
YEL
4
345678
456
12
3
34 1
4
2
1
WHT−RED
3412
2
WHT−RED
3
BRN
4
GRY
212
5
WHT
12
RED
1
3
DRNWR
4
RED
RED
2
2
RED
11
GRY
WHT
WHT
GRY
BRN
WHT
BRN
RED
REDRED
GRY
RED
REDRED
WHT
WHT
WHT
WHT
BRN
BRN
BRN
BRN
BRN
BRN
BRN
600V
230V
WHT
RED
BLK
5
PNK
6
WHT−RED
PNK
PNK
PNK
YEL
YEL
12
2
YEL
YEL
YEL
PNK PNK
BRN
3
BLK
BLK
123
6
1
2
3
123
1
7
2
3
WB−023
1
4
234
1
WHT−RED
2
WHT−RED
8
WB−005
WB−006
3
BRN
RED
RED
RED
RED
RED
RED
DRNWR
BLK
BRN
BLK
WB−022
4
GRY
WB−021
BRN
BLK
5
WHT
WHT
6
WHT−RED
WHT
DRNWR
12
12
YEL
Model: LGT, LDT Series RTU − Gas Heat
Voltage: 575V/3~/60Hz (J)
Supersedes:N/A Form No:
Input Heat Capacity 169k − 480k Btuh
Rev:0
9
WHT
WHT
WHT
10
RED
RED
WB−016
SHT 1−CC06
1 2
WB016
SHT1−AA06
RED
1
2
BLK
RED
BLK
J28
P28
P433
P406
J406
24VAC
COM
R1
W1
W2
R2
D1
MGV1
MGV2
GND
HEAT4
24VAC
GND
HEAT3
GND
COM
R1
W1
W2
R2
D1
MGV1
MGV2
P19
J396
P396
A55
J374
P374
24VAC
GND
GND
MAIN CTRL
P229
P21
A178
P229
P230
AUXCTRL
MODBUS
CABLE
J393
P393
FROM T3
TRANSFORMER
P406
J406
J408
P408
1
J408
P408
P229
P216
P228(1)
P434
GV−M
GV−COM
GVHI
S47
S47
GV−M
GV−COM
GV−HI
S69
S69
J407
P407
S10
S10
S21
S21
S99
S99
S100
S100
J407
P407
S18
S18
S45
S45
J410
P410
J410
P410
P228(1)
P216
P229
P228(2)P228(2)
P230
A
J15
P15
P230
P230
MODBUS
CABLE
J413
P413
GB
MODBUS
P411
J411
AGB
MODBUS−1
J412
P412
A
G
B
MODBUS−2
P412
J412
MODBUS CABLE
P411
J411
TO P415
B−SECT LOC CC06
A
G
B
MODBUS−1
MODBUS−2
AGB
J374
P374
L1−LINE
LOW1
LOW2
HIGH
L1−LINE
LOW1
LOW2
HIGH
FLAMESENS
FLAMESENS
SPARK
SPARK
LOWTEMPERATURE
VESTIBULEHEATER,
BURNER 1
LOWTEMPERATURE
VESTIBULEHEATER,
BURNER 2
LOWTEMPVESTHTR
BURNER1
LOW TEMPVESTHTR
BURNER2
P432
1
A3
1
DSICTRL1
1
DENOTESOPTIONALCOMPONENTSAND WIRING
11
FROM F10T1LOAD,
B−SECT LOCNN07
FROM F10T2LOAD,
B−SECT LOCNN07
A12
BRN
BRN
BLK
BLK
DSI CTRL 2
538226−01
HEATI NG
SECTI ON
A
COOLI NG
SECTI ON
B
WI RI NG DI AGRAM FLOW
SECTI ON
B3
COOLI NGACCS
SECTI ON
C
ACCS
SECTI ON
D
24VAC
GND
P432
HEAT1
GND
HEAT2
GND
MGV
GND
P433
P434

Related product manuals