EasyManua.ls Logo

Lennox Enlight LGT180H4M - Page 88

Lennox Enlight LGT180H4M
106 pages
Print Icon
To Next Page IconTo Next Page
To Next Page IconTo Next Page
To Previous Page IconTo Previous Page
To Previous Page IconTo Previous Page
Loading...
Page 88
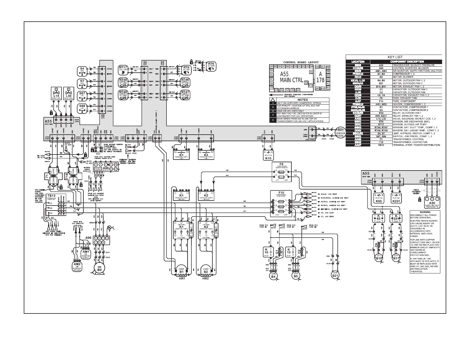
LGT/LCT156 Y Voltage No By-Pass
LGT, LCT 156H − Y−VOLT
COOLING − MSAV NO BYPASS −OR− VAV − 2 COMPRESSORS 3 CONDENSER FANS Supersedes: N/A Form No:
Voltage:208−240V/3~/60Hz (Y)
Rev:3
53821101

Related product manuals