EasyManua.ls Logo

Lennox Enlight LGT300S4M - Blower Access and CFM Determination

Lennox Enlight LGT300S4M
106 pages
Print Icon
To Next Page IconTo Next Page
To Next Page IconTo Next Page
To Previous Page IconTo Previous Page
To Previous Page IconTo Previous Page
Loading...

B-Blower Access
1 -      
     

2 - 

 
C-Determining Unit CFM
IMPORTANT - Multi-staged supply air units are factory-set
to run the blower at full speed when there is a blower (G)
demand without a heating or cooling demand. Refer to the
eld-provided, design specied CFM for all modes of op-
eration. Use the following procedure to adjust motor pulley
to deliver the highest CFM called for in the design spec.
See Inverter Start-Up section to set blower CFM for all
modes once the motor pulley is set.
1 -       
        
      
        

2 -        
       


Note - Static pressure readings can vary if not taken
where shown.
         


 
      

        


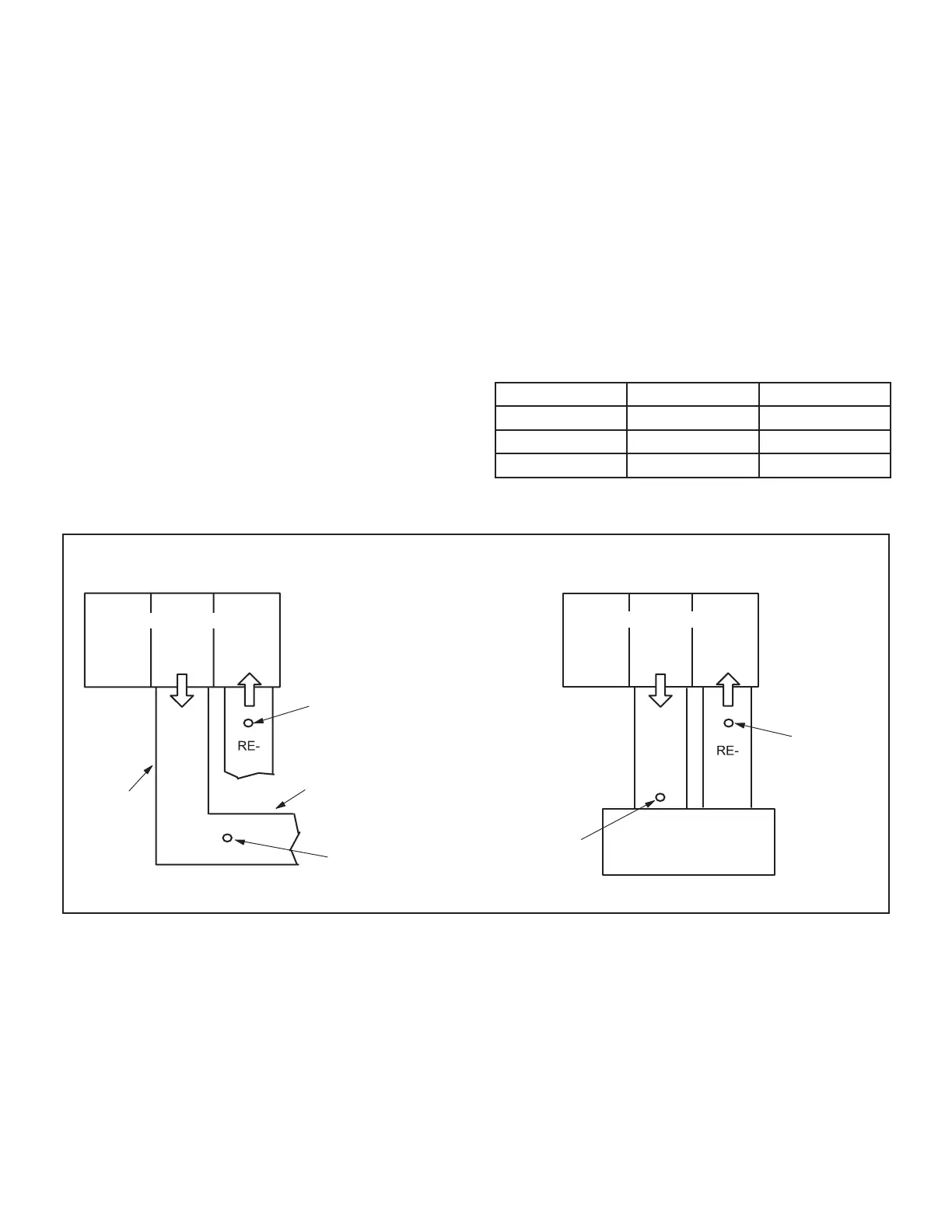
TABLE 5

  
A Section 
B Section 1*


LOCATION OF STATIC PRESSURE READINGS
SUPPLY AIR
READING
LOCATION
SUPPLY
TURN
INSTALLATIONS WITH DUCTWORK
SUPPLY
TURN
INSTALLATIONS WITH CEILING DIFFUSERS
MAIN
DUCT RUN
FIRST BRANCH
OFF OF MAIN RUN
DIFFUSER
ROOFTOP UNIT
ROOFTOP UNIT
SUPPLY AIR
READING
LOCATION
RETURN AIR
READING LOCATION
RETURN AIR
READING
LOCATION
FIGURE 13

Related product manuals