EasyManua.ls Logo

Lennox Enlight LGT300S4M - Page 82

Lennox Enlight LGT300S4M
106 pages
Print Icon
To Next Page IconTo Next Page
To Next Page IconTo Next Page
To Previous Page IconTo Previous Page
To Previous Page IconTo Previous Page
Loading...
Page 82
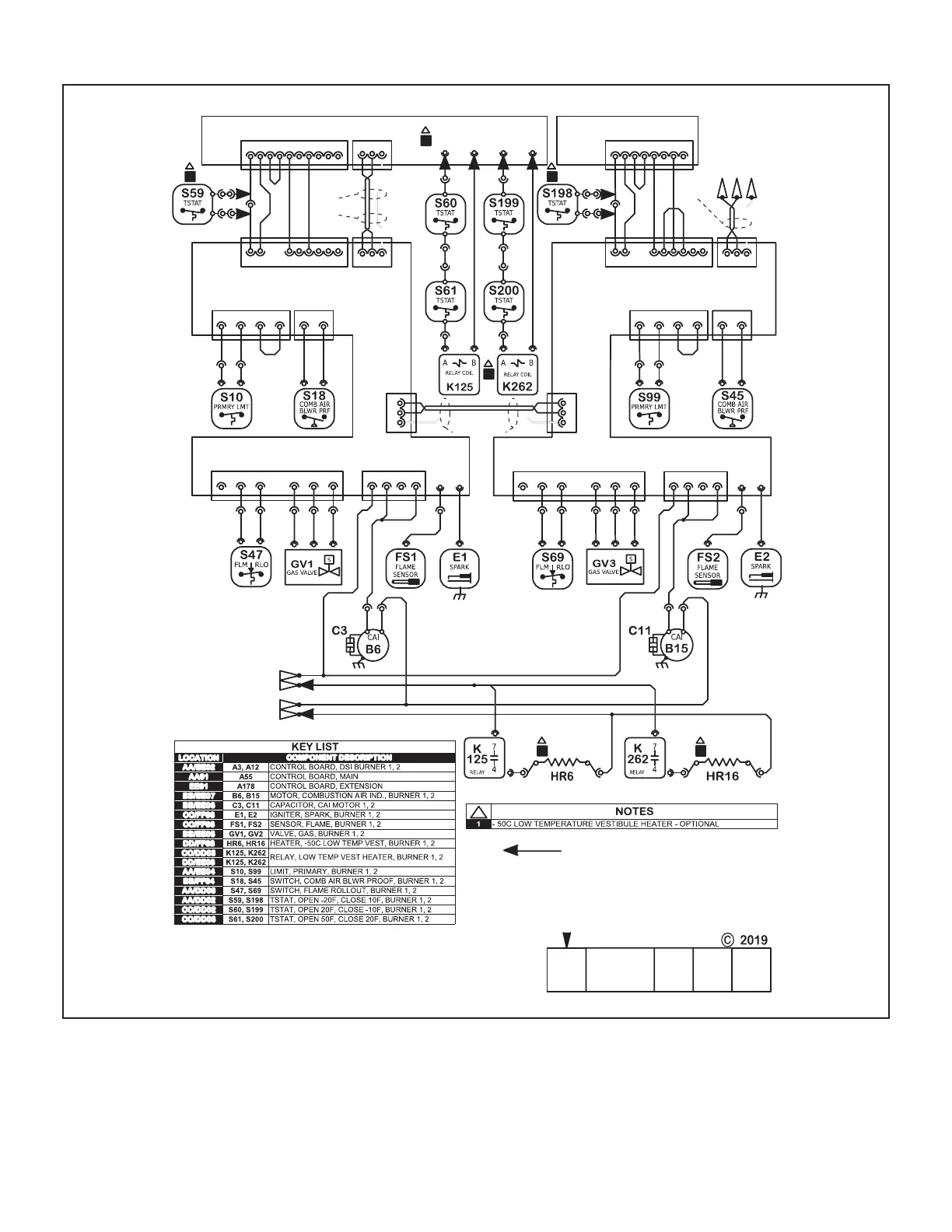
XI-Wiring Diagrams and Sequence of Operation
GAS HEAT DIAGRAM
1
WHT−RED
2
WHT−RED
12345
3
BRN
6 78
2
2
4
GRY
1
MP
HI
COM
1
5
WHT
1
2
COM
HI
MP
BLU
1
RED
1
234
3
6
WHT−RED
56
2
5
6
2
RED
BLU
WB−004
GRY
WHT
23
Input Heat Capacity 169k − 480k Btuh
Voltage: 208−240V/3~/60Hz (Y), 460V/3~/60Hz (G)
Supersedes: N/A Form No:
Model: LGT, LDT Series RTU − Gas Heat
Rev: 0
1
WHT−RED
2
WHT−RED
3
BRN
21
1
4
WHT
WHT
4
GRY
WB−007
7
56
1
1
2
3
8
2
4
3
6
5
5
WHT
1
1
3
2
6
WHT−RED
4
345678
456
12
2
2
1
1
3
34 1
4
234
12
212
12
RED
1
3
DRNWR
4
RED
RED RED
GRY
WHT
WHT
GRY
BRN
WHT
BRN
RED
REDRED
GRY
RED
REDRED
WHT
WHT
WHT
WHT
BRN
BRN
BRN
BRN
BRN
BRN
BRN
5
PNK
PNK
PNK
PNK
PNK
PNK
YEL
YEL
12
2
YEL
YEL
YEL
YEL
PNK PNK
BRN
3
123
6
1
2
3
123
1
7
2
3
WB−023
1
4
234
8
WB−005
WB−006
RED
RED
RED
RED
RED
RED
DRNWR
BLK
BRN
BLK
WB−022
WB−021
BRN
BLK
WHT
DRNWR
12
12
YEL
9 10
2
1
1
P406
J406
24VAC
COM
R1
W1
W2
R2
D1
MGV1
MGV2
GND
HEAT4
24VAC
GND
HEAT3
GND
COM
R1
W1
W2
R2
D1
MGV1
MGV2
P19
J396
P396
A55
J374
P374
24VAC
GND
GND
MAIN CTRL
P229
P21
A178
P229
P230
AUXCTRL
MODBUS
CABLE
538225−01
SECTI ON
A
HEATI NG
SECTI ON
B
COOLI NG
WI RI NG DI AGRAM FLOW
COOLI NG
SECTI ON
B3
SECTI ON
C
ACCS
SECTI ON
D
ACCS
J393
P393
P406
J406
J408
P408
1
J408
P408
P229
P216
P228(1)
GV−M
GV−COM
GV−HI
S47
S47
GV−M
GV−COM
GV−HI
S69
S69
J407
P407
S10
S10
S21
S21
S99
S99
S100
S100
J407
P407
S18
S18
S45
S45
J410
P410
J410
P410
P228(1)
P216
P433
P229
P228(2)P228(2)
P230
A
P433
P230
P230
MODBUS
CABLE
J413
P413
GB
MODBUS
P411
J411
AGB
MODBUS−1
J412
P412
A
G
B
MODBUS−2
P412
J412
MODBUS CABLE
P411
J411
TO P415
B−SECT LOCCC06
A
G
B
MODBUS−1
MODBUS2
AGB
J374
P374
L1−LINE
LOW1
LOW2
HIGH
L1−LINE
LOW1
LOW2
HIGH
FLAME SENS
FLAME SENS
SPARK
SPARK
LOW TEMPERATURE
VESTIBULE HEATER,
BURNER1
LOW TEMPERATURE
VESTIBULE HEATER,
BURNER 2
LOWTEMPVESTHTR
BURNER 1
LOWTEMPVESTHTR
BURNER 2
1
A3
1
DSICTR L1
1
DENOTES OPTIONAL COMPONENTS ANDWIRING
P434
11
FROM F10T1LOAD,
B−SECT LOCNN07
FROM F10T2LOAD,
B−SECT LOCNN07
A12
BRN
BRN
BLK
BLK
DSICTRL2
24VAC
GND
HEAT1
GND
HEAT2
P432
GND
MGV
GND
P432
J28
P28
P434
J15
P15

Related product manuals