Home
Lennox
Fan
Enlight LGT300S4M
Page 89
Lennox Enlight LGT300S4M - Page 89
106 pages
Manual
To Next Page
To Next Page
To Previous Page
To Previous Page
Loading...
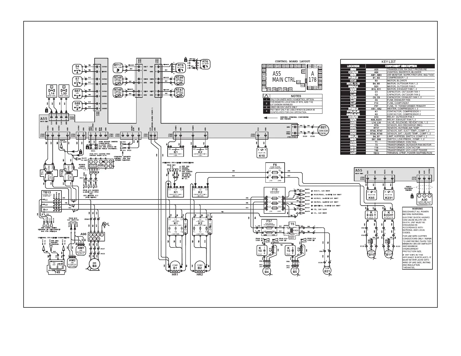
LGT/LCT156 G, J Voltage No By-Pass
LGT, LCT 156H − G, J−VOLT
COOLING − MSAV NO BYPASS −OR− VAV − 2 COMPRESSORS 3 CONDENSER FANS
Supersedes:
N/A
Form No:
Voltage
:4
60V/3~/60Hz (G), 575V/3~/60Hz (J)
Rev
:3
5
38209
−
0
1
88
90
Table of Contents
Main Page
Table of Contents
1
Options / Accessories
2
Specifications
6
Gas Heat Specifications / High Altitude
11
Blower Data
13
Electrical Data
15
Unit Parts Arrangement
18
I-Unit Components
18
II-Placement and Installation
37
III-Charging
37
Start up - Operation
63
V-System Service Checks
65
VI-Maintenance
67
VII-Accessories
68
VIII-Hot Gas Re-Heat
73
IX-Staged Blower
78
VAV System
80
Related product manuals
Lennox Enlight LGT180H4M
106 pages
Lennox Enlight LGT210H4M
106 pages
Lennox Enlight LGT240H4M
106 pages
Lennox Enlight LGT Series
106 pages
Lennox ELS240S4D
24 pages
Lennox ELS090S4S
24 pages
Lennox ELS120S4D
25 pages
Lennox ELS072S4S
24 pages
Lennox ELS150S4D
25 pages
Lennox ELS180S4D
24 pages
Lennox ELS SERIES
25 pages
Lennox ARIA EC Series
40 pages