EasyManua.ls Logo

Lennox GCS16-413-100 - Page 87

Lennox GCS16-413-100
134 pages
Print Icon
To Next Page IconTo Next Page
To Next Page IconTo Next Page
To Previous Page IconTo Previous Page
To Previous Page IconTo Previous Page
Loading...
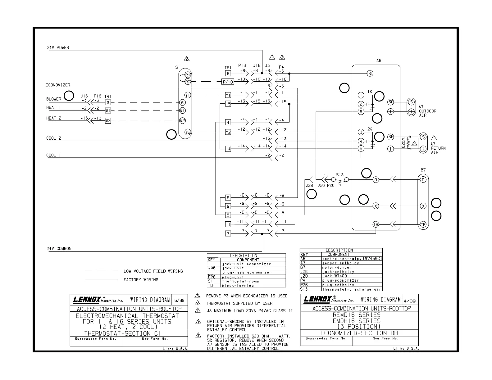
C1diagram
electromechanical thermostat with threeposition economizer
with D8 diagram
Page 87
1
2
3
4
5
6
11
11
7
8
9
10
Thermostat Footnotes
Economizer Footnotes

Related product manuals