EasyManua.ls Logo

Lennox GCS16-513-125

Lennox GCS16-513-125
134 pages
To Next Page IconTo Next Page
To Next Page IconTo Next Page
To Previous Page IconTo Previous Page
To Previous Page IconTo Previous Page
Loading...
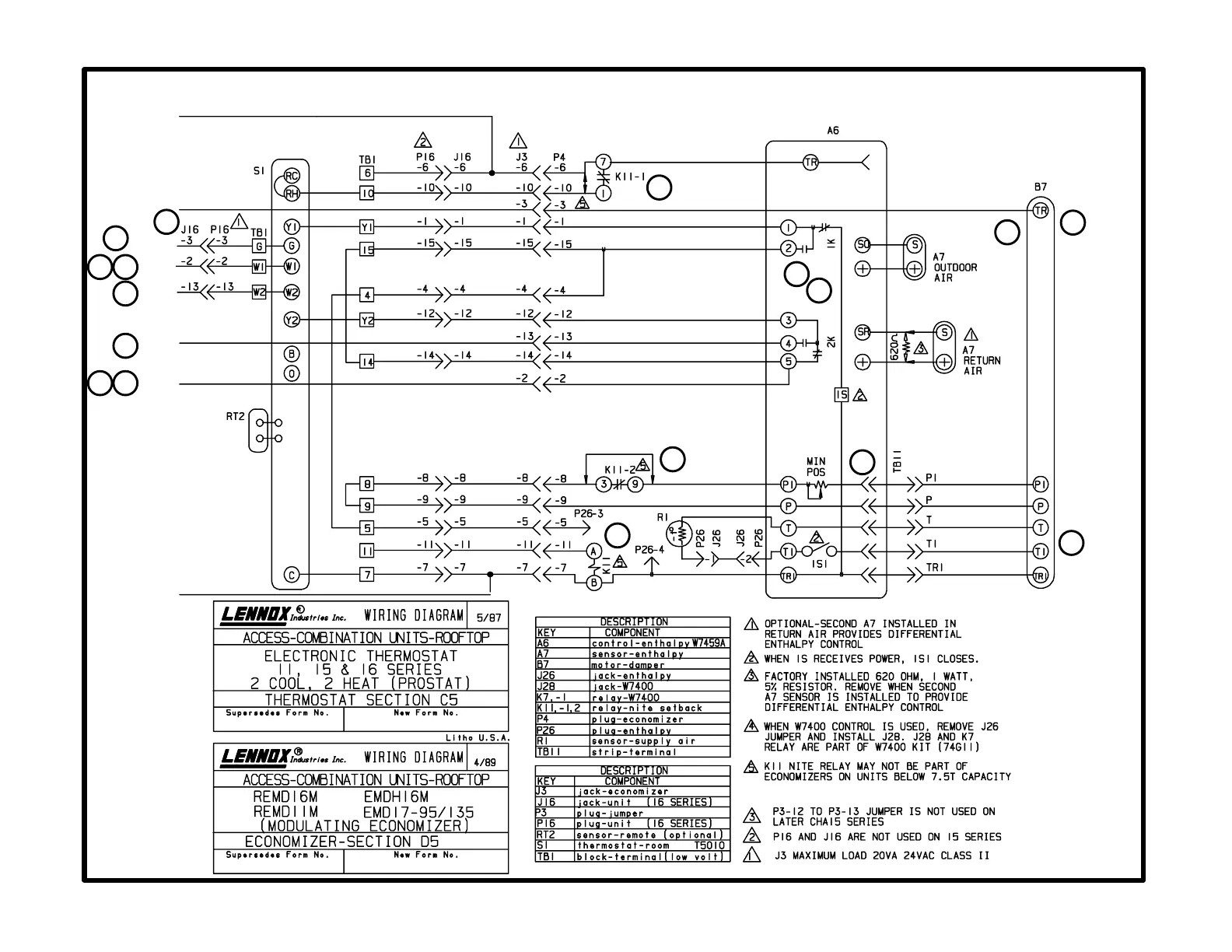
C5 diagram Prostat with modulating economizer
with D5 diagram
Page 103
Economizer Footnotes
Thermostat Footnotes
24V POWER
ECONOMIZER
BLOWER
HEAT 1
HEAT 2
COOL 2
COOL 1
24V COMMON
1
2
3
4
4
4
5
6
7
8
9
10
11
12
13
14
15

Related product manuals