EasyManua.ls Logo

Lennox GCS16-513-125 - T7300 Thermostat Diagrams

Lennox GCS16-513-125
134 pages
Print Icon
To Next Page IconTo Next Page
To Next Page IconTo Next Page
To Previous Page IconTo Previous Page
To Previous Page IconTo Previous Page
Loading...
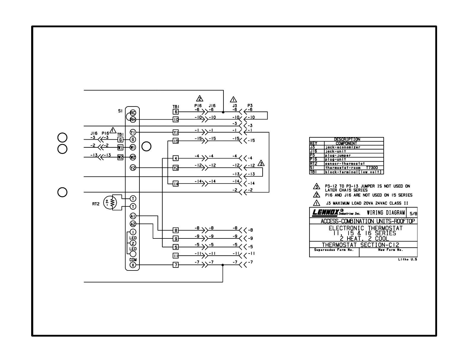
C12diagram
T7300 thermostat
Page 111
24V POWER
ECONOMIZER
BLOWER
HEAT 1
HEAT 2
COOL 2
COOL 1
24V COMMON
1
2
3
4

Related product manuals