EasyManua.ls Logo

Lennox GCS16-513-125

Lennox GCS16-513-125
134 pages
To Next Page IconTo Next Page
To Next Page IconTo Next Page
To Previous Page IconTo Previous Page
To Previous Page IconTo Previous Page
Loading...
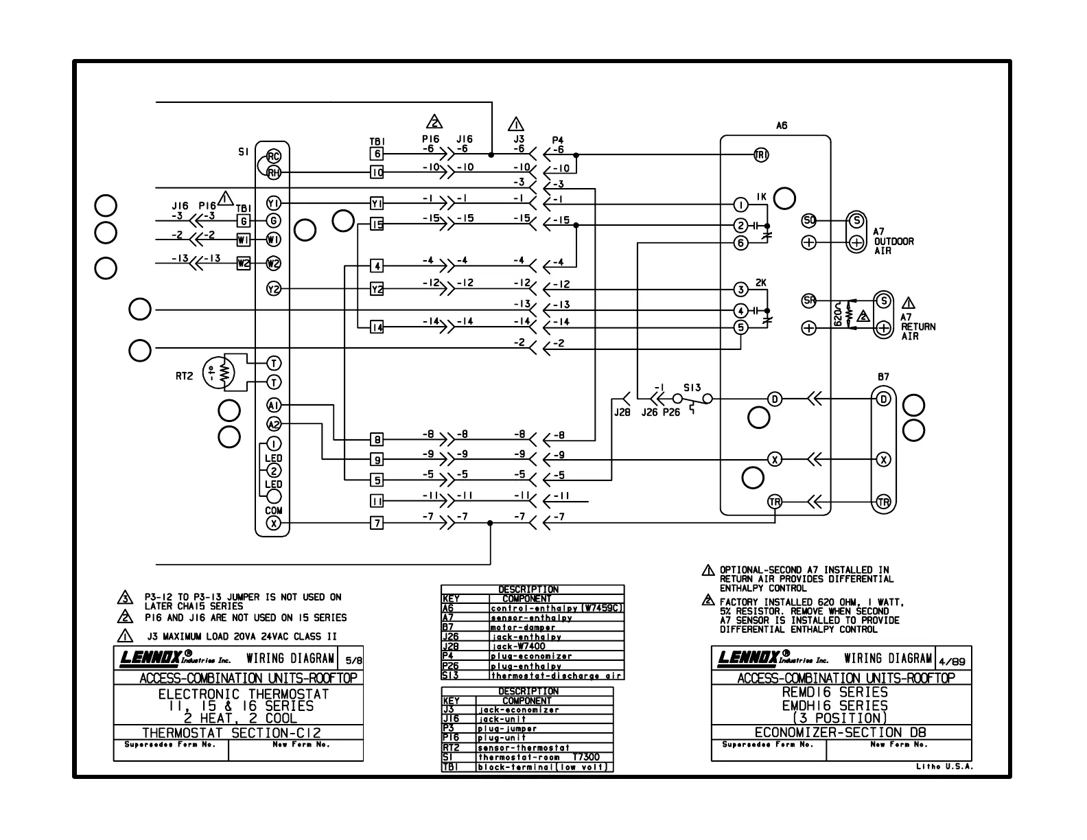
C12diagram with D8 diagram T7300 with three-position economizer
Page 113
24V POWER
ECONOMIZER
BLOWER
HEAT 1
HEAT 2
COOL 2
COOL 1
24V COMMON
Thermostat Footnotes
Economizer Footnotes
1
2
3
4
5
6
7
8
9
10
11
12
13
14

Related product manuals