EasyManua.ls Logo

Lennox GCS16-513-125

Lennox GCS16-513-125
134 pages
To Next Page IconTo Next Page
To Next Page IconTo Next Page
To Previous Page IconTo Previous Page
To Previous Page IconTo Previous Page
Loading...
Page 63
Y1
W1
G
4
5
6
7
8
9
10/R
11
Y2
W2
14
15
TB1
TERMINAL
STRIP1
2
3
4
5
6
7
8
9
10
W1 C1
W2 C2
OPTIONAL FILTER
SWITCH KIT
GV1 GAS VALVE
RRB
READOUT
RELAY BOX
SP11
STATUS PANEL
13
798
465
132
C
C
1
2
3
4
5
6
7
8
9
10
DETAIL A
DETAIL A
LOSS OF CHARGE
SWITCH
HIGH PRESSURE
SWITCH
60 SEC.
TIME
DELAY
DL6
RELAY
K29
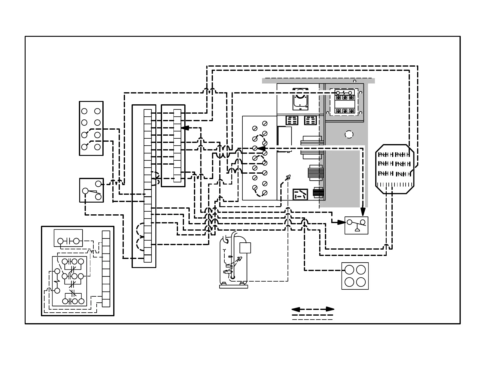
GCS16 UNIT CONTROL BOX
FIELD WIRING SSP11
GCS16-410 THROUGH -650 UNITS WITH W973
(applicable to units equipped with commercial controls platform only)
OPTIONAL EQUIPMENT
24VAC FIELD INSTALLED
24VAC FACTORY INSTALLED
1
2
3
4
5
6
7
8
9
10
11
12
13
14
15
16
17
18
19
20
21
CMC3-1
T7067
THERMOSTAT
RYBWTRTR15243T1T
H1H2
H3
C1
C2
C3
W973
1
2
3
84
5
6
7
1
2
3
COMPRESSOR
C8 or C14 THERMOSTAT CONTROL SECTION INSTALLED
Page 63
FIGURE 81
IMPORTANT - Remove TB1
Jumpers 4 to 5, 8 to 9 and 14 to
15.
NOTE-This diagram shows field wiring connections made IN ADDITION TO thermostat field wiring. Thermostat field wiring is not shown.

Related product manuals