EasyManua.ls Logo

Lennox GCS16-513-125 - Page 91

Lennox GCS16-513-125
134 pages
Print Icon
To Next Page IconTo Next Page
To Next Page IconTo Next Page
To Previous Page IconTo Previous Page
To Previous Page IconTo Previous Page
Loading...
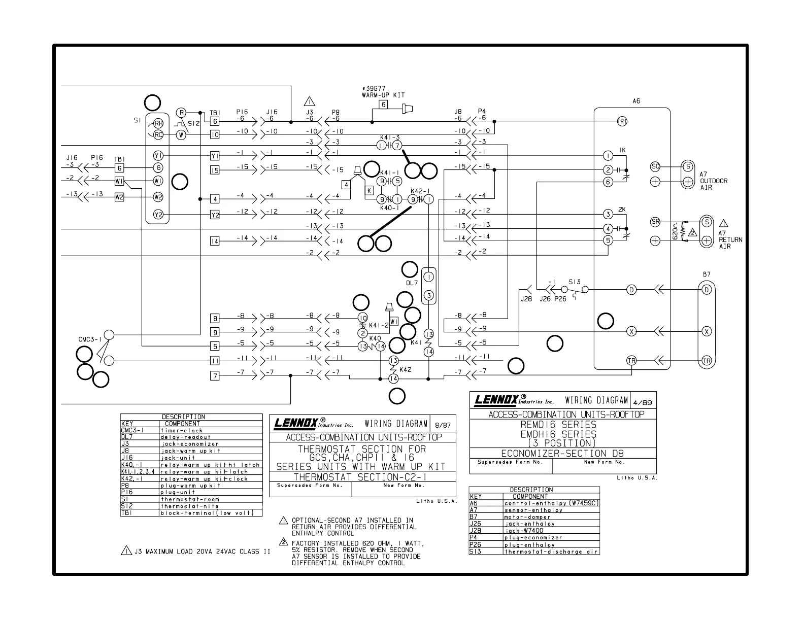
C2-1 diagram
electromechanical thermostat with threeposition economizer and warm-up
with D8 diagram
Page 91
24V POWER
ECONOMIZER
BLOWER
HEAT 1
HEAT 2
COOL 2
COOL 1
24V COMMON
Economizer Footnotes
Unit Footnotes
1
2
3
4
5
6
7a
7b
7c
8
9
10
11
12
13
14
15
16
17
18

Related product manuals