EasyManua.ls Logo

Lennox GCS16-653-125

Lennox GCS16-653-125
134 pages
To Next Page IconTo Next Page
To Next Page IconTo Next Page
To Previous Page IconTo Previous Page
To Previous Page IconTo Previous Page
Loading...
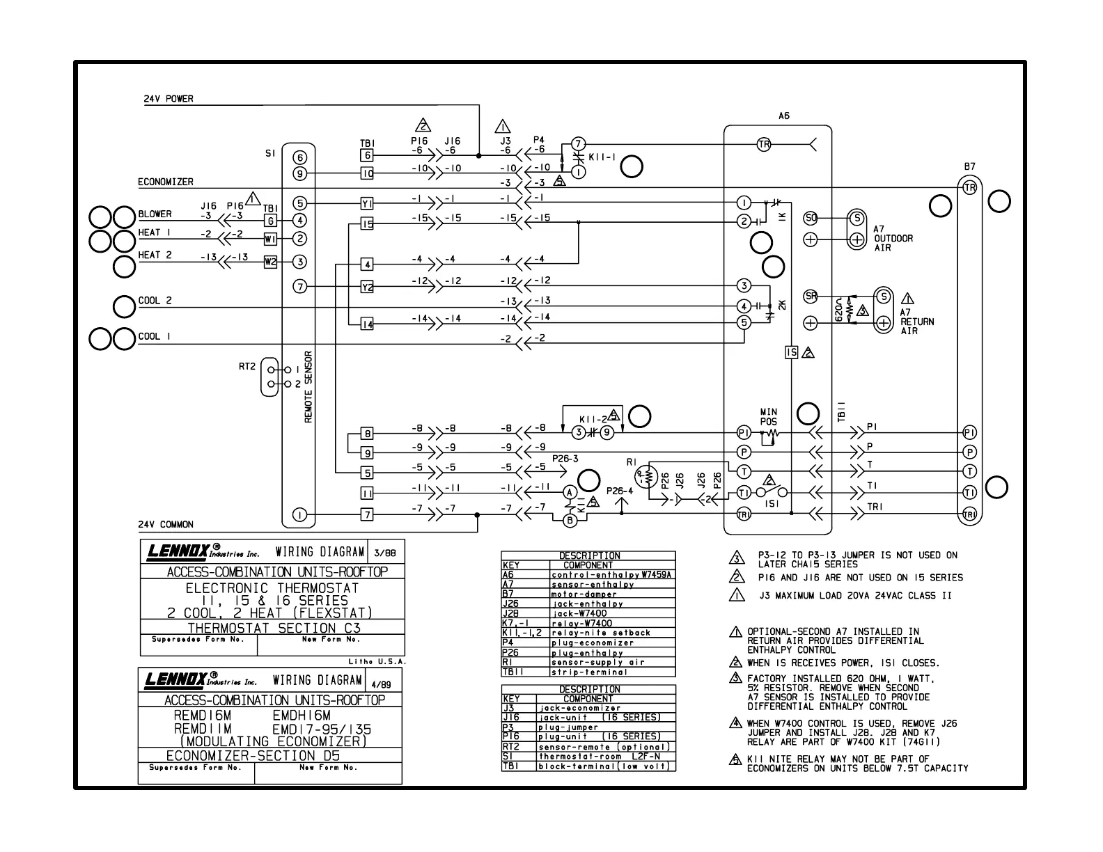
C3 diagram with D5 diagram Flexstat with modulating economizer
Page 102
Thermostat Footnotes
Economizer Footnotes
1
2
3
4
4
4
5
6
7
8
9
10
11
12
13
14
15

Related product manuals