EasyManua.ls Logo

Lennox GCS16-653-125 - Page 109

Lennox GCS16-653-125
134 pages
Print Icon
To Next Page IconTo Next Page
To Next Page IconTo Next Page
To Previous Page IconTo Previous Page
To Previous Page IconTo Previous Page
Loading...
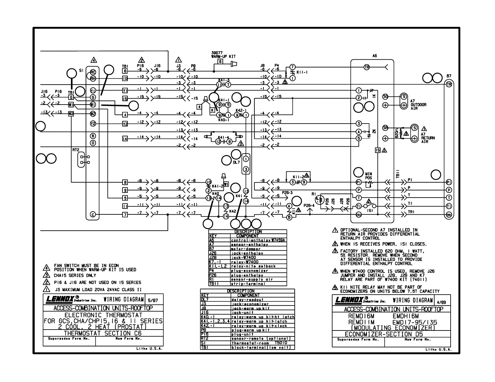
C6 diagram with D5 diagram Prostat with modulating economizer and warm-up
Page 109
Thermostat Footnotes
Economizer Footnotes
24V POWER
ECONOMIZER
24V COMMON
COOL 1
COOL 2
HEAT 1
HEAT 2
BLOWER
3
5
6
11
12
15 2425
4
22
18 20
8
13
9
14
7
10
2
16
19
1
23
21
17

Related product manuals