EasyManua.ls Logo

Lennox GCS16-653-125 - Page 117

Lennox GCS16-653-125
134 pages
Print Icon
To Next Page IconTo Next Page
To Next Page IconTo Next Page
To Previous Page IconTo Previous Page
To Previous Page IconTo Previous Page
Loading...
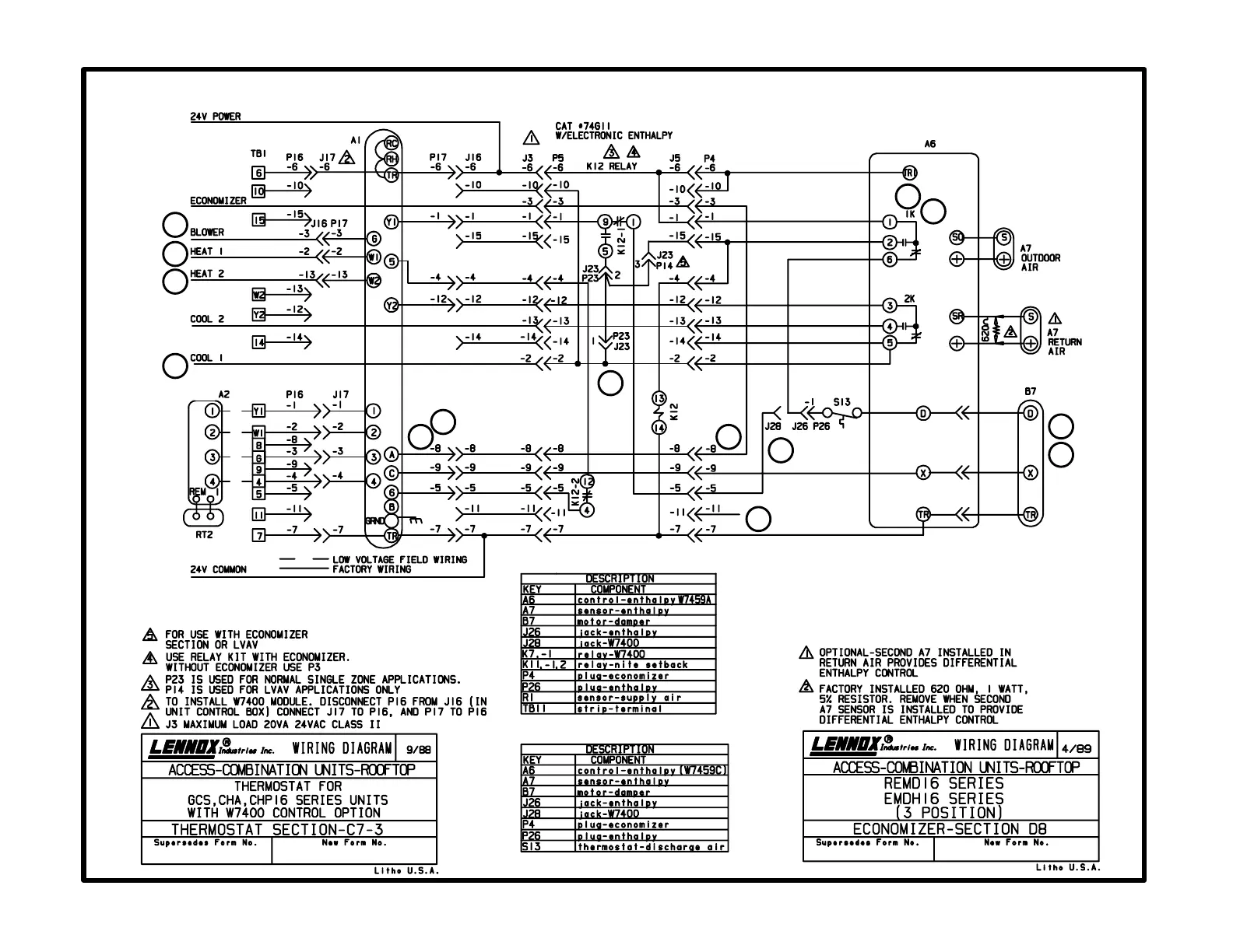
C7-3 diagram W7400 Control threeposition economizer
with D8 diagram
Page 117
1
2
3
4
5
6
7
5
11
8
9
12
13
10
Thermostat Footnotes
Economizer Footnotes

Related product manuals