EasyManua.ls Logo

Lennox GCS16-653-125

Lennox GCS16-653-125
134 pages
To Next Page IconTo Next Page
To Next Page IconTo Next Page
To Previous Page IconTo Previous Page
To Previous Page IconTo Previous Page
Loading...
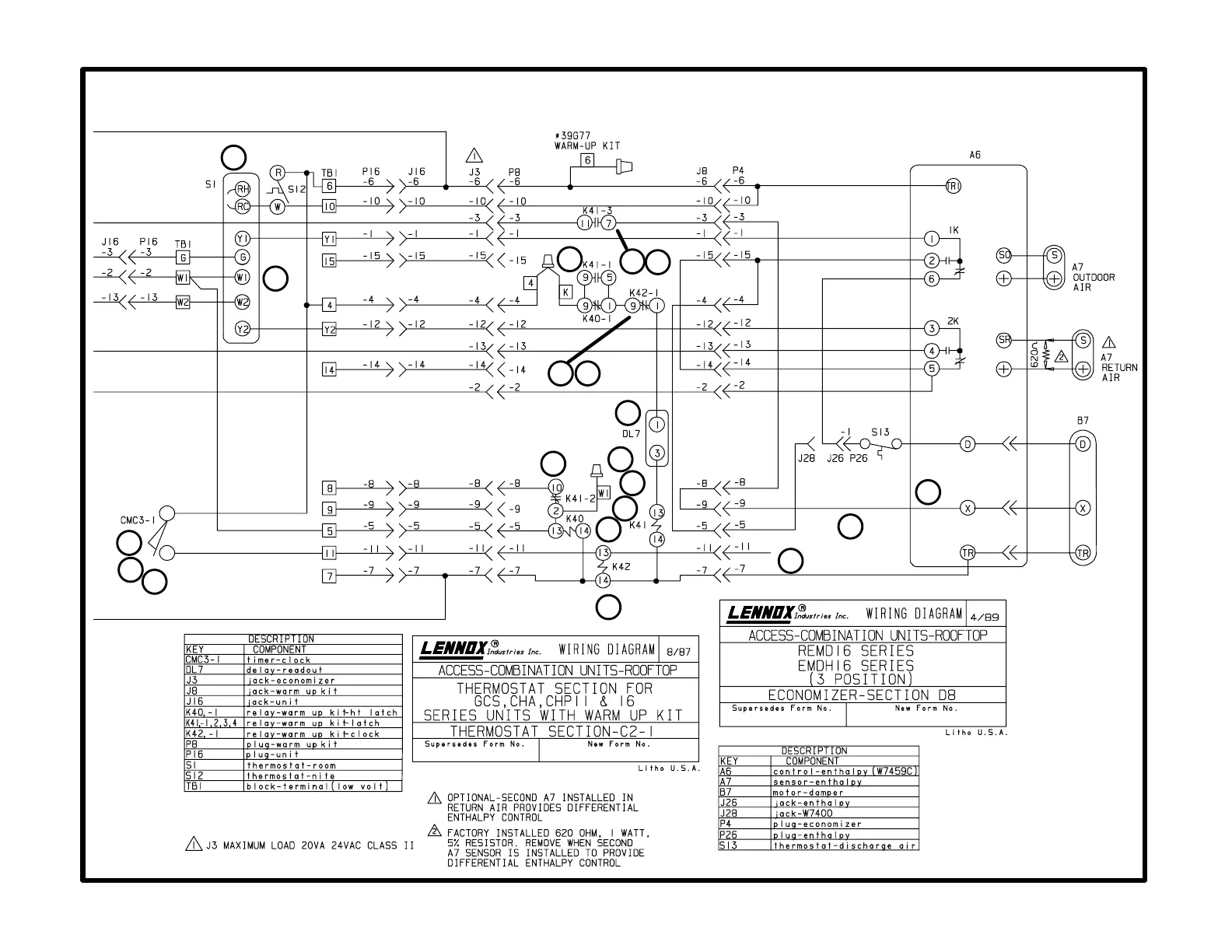
C2-1 diagram
electromechanical thermostat with threeposition economizer and warm-up
with D8 diagram
Page 91
24V POWER
ECONOMIZER
BLOWER
HEAT 1
HEAT 2
COOL 2
COOL 1
24V COMMON
Economizer Footnotes
Unit Footnotes
1
2
3
4
5
6
7a
7b
7c
8
9
10
11
12
13
14
15
16
17
18

Related product manuals