EasyManua.ls Logo

Lennox GCS16-653-125

Lennox GCS16-653-125
134 pages
To Next Page IconTo Next Page
To Next Page IconTo Next Page
To Previous Page IconTo Previous Page
To Previous Page IconTo Previous Page
Loading...
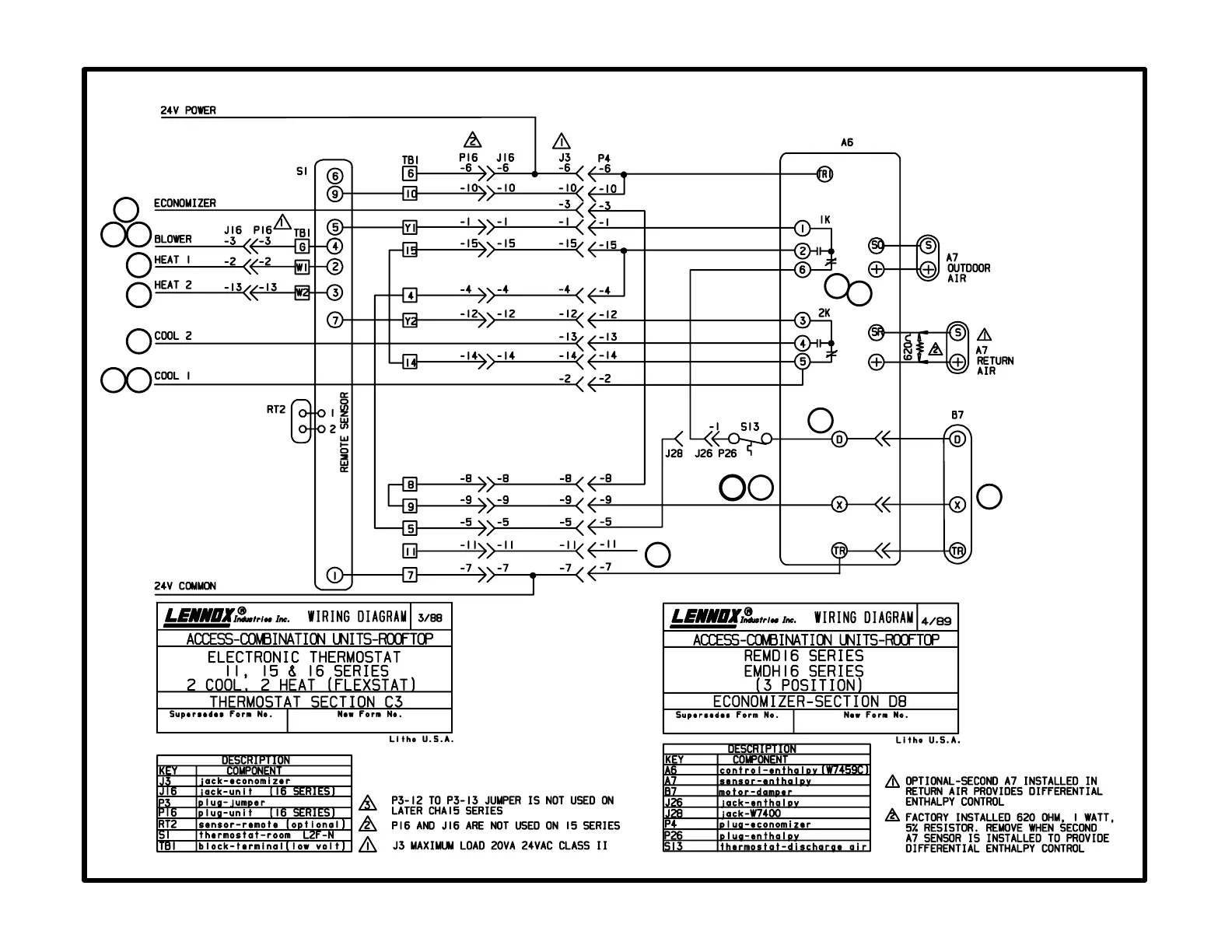
C3 diagram with D8 diagram Flexstat with three-position economizer
Page 99
1
2
3
4
5
6
7
8
9
10
11
12
13
14
15
Thermostat Footnotes
Economizer Footnotes

Related product manuals