EasyManua.ls Logo

Lennox GCS16-653-75

Lennox GCS16-653-75
134 pages
To Next Page IconTo Next Page
To Next Page IconTo Next Page
To Previous Page IconTo Previous Page
To Previous Page IconTo Previous Page
Loading...
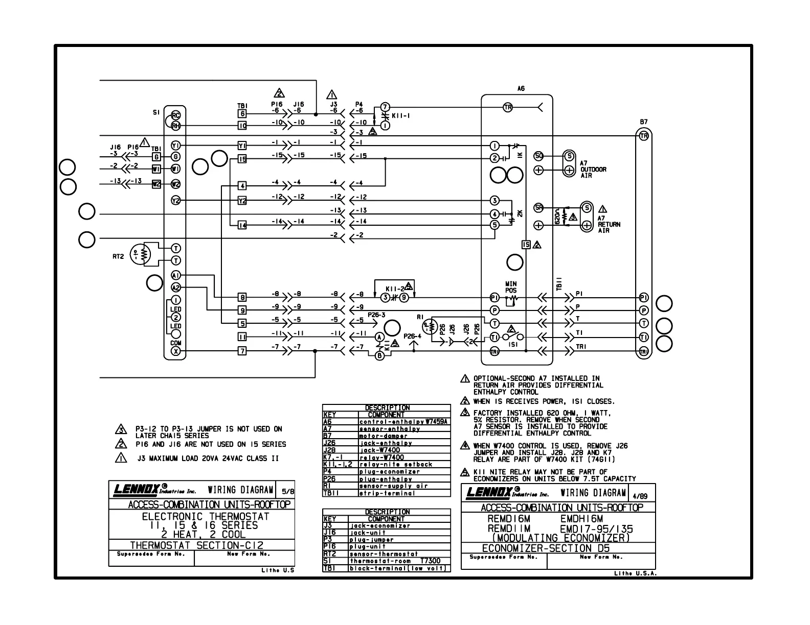
C12diagram with D5 diagram T7300 with modulating economizer
Page 115
Thermostat Footnotes
Economizer Footnotes
24V POWER
ECONOMIZER
BLOWER
HEAT 1
HEAT 2
COOL 1
COOL 2
24V COMMON
1
2
3
4
5
6
7
8
9
10
11
12
13
14

Related product manuals