EasyManua.ls Logo

Lennox GCS16-653-75 - Page 117

Lennox GCS16-653-75
134 pages
Print Icon
To Next Page IconTo Next Page
To Next Page IconTo Next Page
To Previous Page IconTo Previous Page
To Previous Page IconTo Previous Page
Loading...
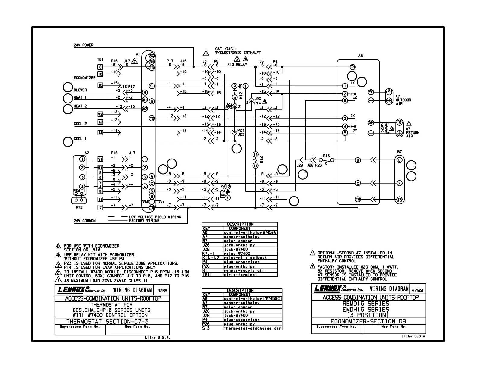
C7-3 diagram W7400 Control threeposition economizer
with D8 diagram
Page 117
1
2
3
4
5
6
7
5
11
8
9
12
13
10
Thermostat Footnotes
Economizer Footnotes

Related product manuals