EasyManua.ls Logo

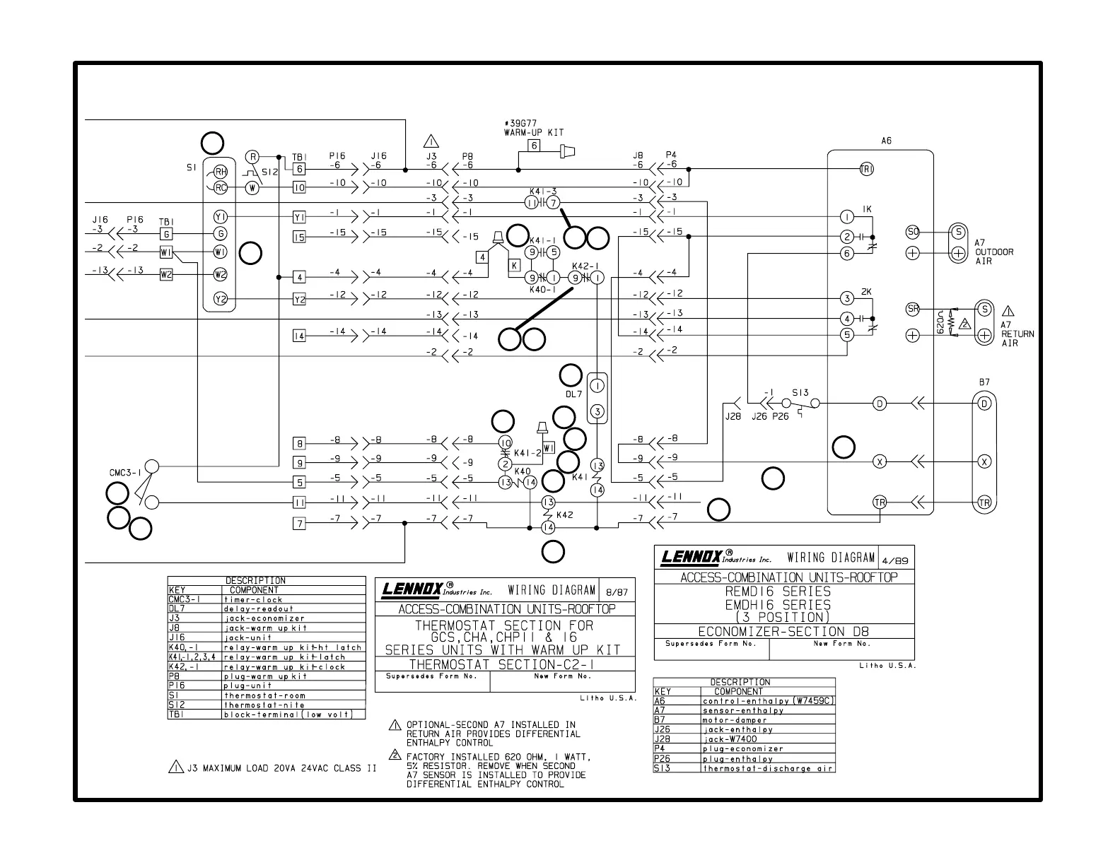
Lennox GCS16 Series - Advanced Control System Diagrams; C2-1;D8 Diagram: Thermostat with Economizer and Warm-up Wiring

Lennox GCS16 Series
134 pages
To Next Page IconTo Next Page
To Next Page IconTo Next Page
To Previous Page IconTo Previous Page
To Previous Page IconTo Previous Page
Loading...
C2-1 diagram
electromechanical thermostat with threeposition economizer and warm-up
with D8 diagram
Page 91
24V POWER
ECONOMIZER
BLOWER
HEAT 1
HEAT 2
COOL 2
COOL 1
24V COMMON
Economizer Footnotes
Unit Footnotes
1
2
3
4
5
6
7a
7b
7c
8
9
10
11
12
13
14
15
16
17
18

Related product manuals