EasyManua.ls Logo

Lennox GCS16R-651-125 - Page 80

Lennox GCS16R-651-125
134 pages
Print Icon
To Next Page IconTo Next Page
To Next Page IconTo Next Page
To Previous Page IconTo Previous Page
To Previous Page IconTo Previous Page
Loading...
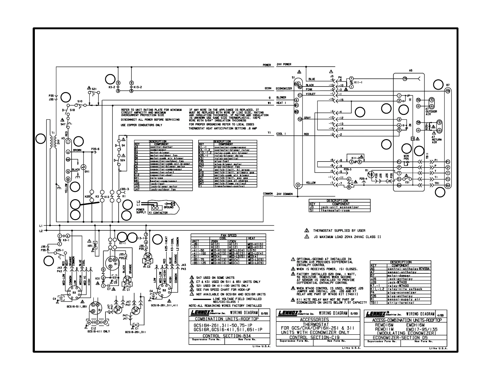
C19 diagram with B34 diagram and D5 diagram
special limited commercial application of residential GCS16H
with basic thermostat, downturn transition and modulating economiz
er
Page 80
1
2
3
4
5
6
7
8
9
10
11
12
13
14
15
16
17
18
Thermostat Footnotes
Economizer Footnotes
Unit Footnotes
3
16
13

Related product manuals