EasyManua.ls Logo

Lennox GWB9-050IH-3

Lennox GWB9-050IH-3
64 pages
To Next Page IconTo Next Page
To Next Page IconTo Next Page
To Previous Page IconTo Previous Page
To Previous Page IconTo Previous Page
Loading...
25
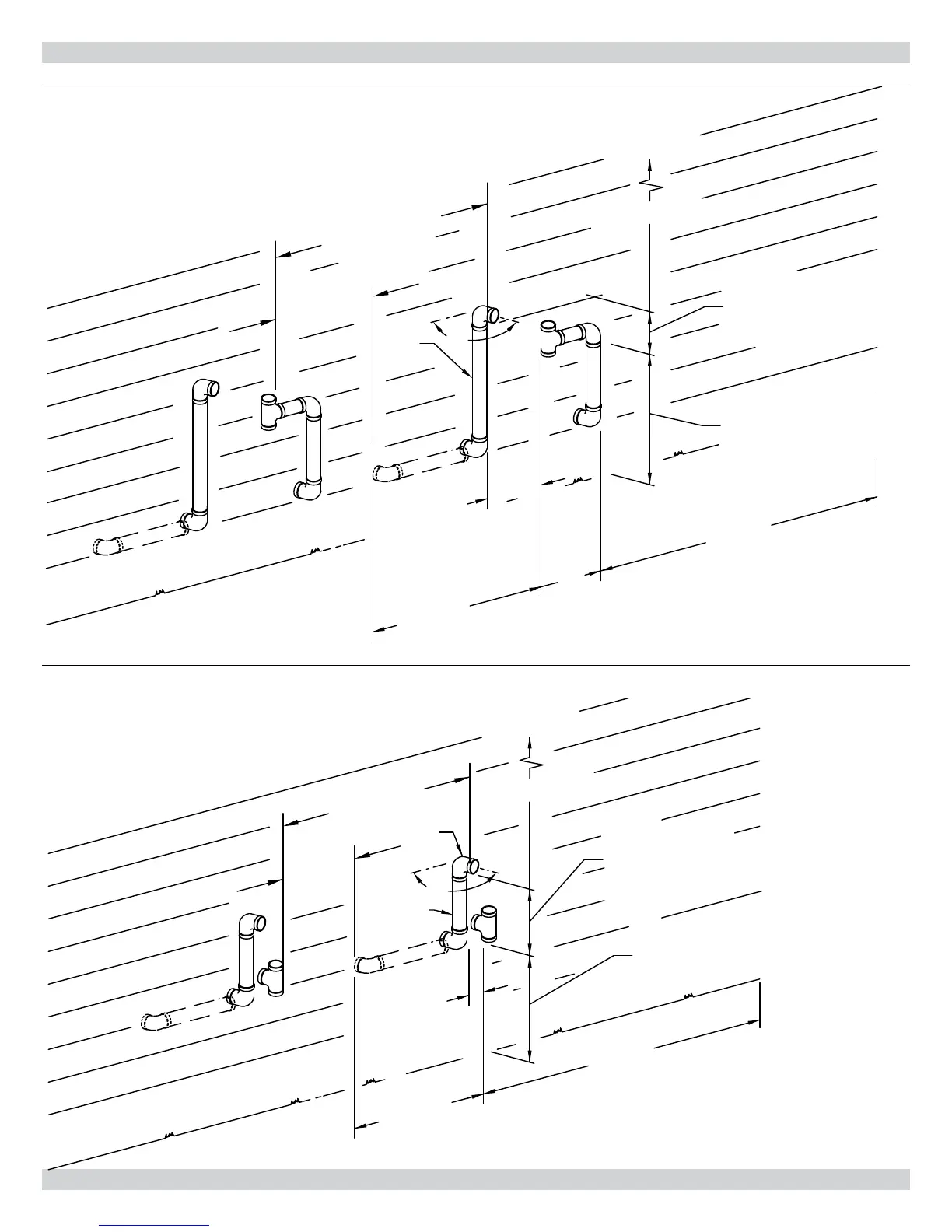
Figure 13 - Side Wall Vent / Intake terminations - Less Than 12” Clearance Above Grade
Figure 14 - Side Wall Vent/Intake Terminations - 12” Or More Clearance Above Grade
COMBUSTION AIR AND VENT PIPE
Less Than 12” Clearance
12” Or More Clearance
OVERHANG
12"MINIMUM
90°
VENT
12"SEPARATION
BETWEENBOTTOM
OFAIRINTAKEAND
BOTTOMOFVENT
MAINTAIN12"MIN
CLEARABOVEHIGHEST
SNOWLEVELORGRADE
3"
MAXIMUM
SEPARATION
18"
MAXIMUM
15"
MAX
12"
MINIMUM
12"
MINIMUM
36"MIN
90°
BRACKET
VENT
18"
MAXIMUM
MAINTAIN12"MIN
CLEARABOVEHIGHEST
SNOWLEVELORGRADE
12"SEPARATION
BETWEENBOTTOM
OFAIRINTAKEAND
BOTTOMOFVENT
12"MINIMUM
OVERHANG
3"
MAXIMUM
SEPARATION
12"
MINIMUM
12"
MINIMUM
36"MIN

Related product manuals