EasyManua.ls Logo

Lennox GWB9-050IH-3

Lennox GWB9-050IH-3
64 pages
To Next Page IconTo Next Page
To Next Page IconTo Next Page
To Previous Page IconTo Previous Page
To Previous Page IconTo Previous Page
Loading...
32
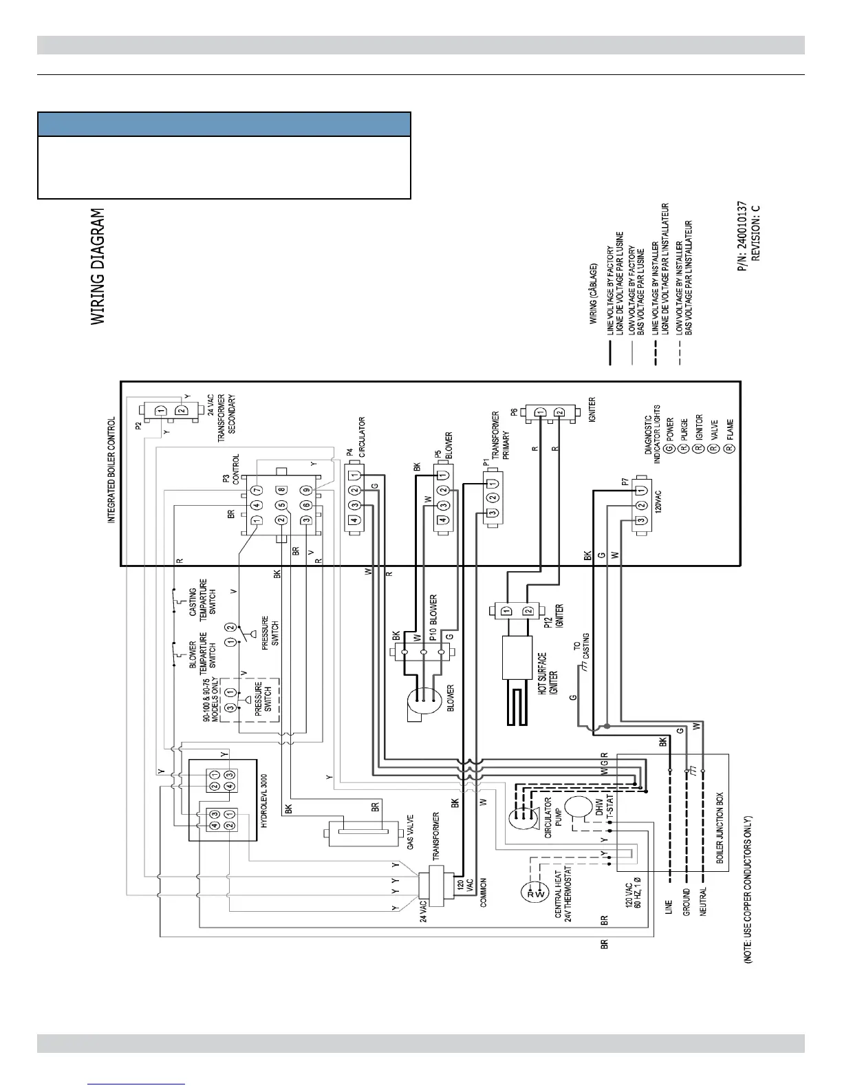
ELECTRICAL WIRING
Figure 21 - Wiring Schematic
NOTICE
If any of original wire as supplied with this appliance
must be replaced, it must be replaced with type
105°C Thermoplastic wire or its equivalent

Related product manuals