EasyManua.ls Logo

Lennox GWB9-050IH-3

Lennox GWB9-050IH-3
64 pages
To Next Page IconTo Next Page
To Next Page IconTo Next Page
To Previous Page IconTo Previous Page
To Previous Page IconTo Previous Page
Loading...
44
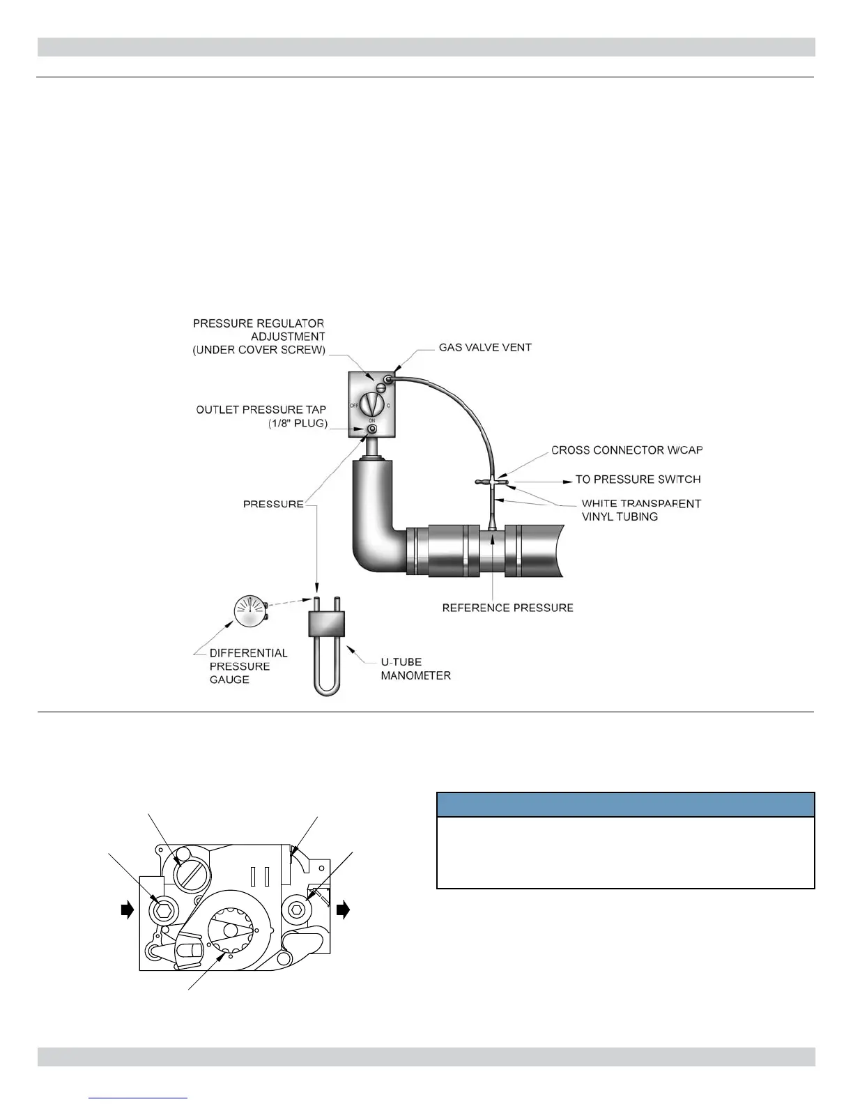
Following steps and diagram indicate location of the
connection points required to measure manifold pressure.
Manifold pressure may be measured using a U-Tube
Manometer or Differential Pressure Gauge. Diagram shows
connection of both measuring devices. Only ONE DEVICE IS
REQUIRED to measure manifold pressure.
Remove plug. Install appropriate barbed tting and connect
pressure side line from U-Tube Manometer or Differential
Pressure Gauge.
OFF
ON
INLET
OUTLET
GAS CONTROL KNOB
PRESSURE REGULATOR
ADJUSTMENT (UNDER CAP SCREW)
INLET
PRESSURE
TAP
VR8205
WIRING TERMINALS (2)
OUTLET
PRESSURE
TAP
Figure 25 - Manifold Pressure Measurement Detail
Figure 26 - Gas Valve
VERIFICATION PROCEDURE AND ADJUSTMENT
Refer to “Differential Air Pressure Switch Check - all
models” on page 45 when reading manifold pressure.
When measurement is complete, disconnect U-Tube
Manometer or Differential Pressure Gauge. Be sure to
reinstall ” plug, using appropriate pipe thread sealant
approved for use with natural and lique ed Petroleum
gases.
NOTICE
Regulator cover screw must be installed at all times
unless adjusting manifold pressure. Firing rate and
manifold pressure must only be measured with cover
screw rmly installed.

Related product manuals