EasyManua.ls Logo

Lennox KCC092S4 - Page 46

Lennox KCC092S4
51 pages
To Next Page IconTo Next Page
To Next Page IconTo Next Page
To Previous Page IconTo Previous Page
To Previous Page IconTo Previous Page
Loading...
Page 46
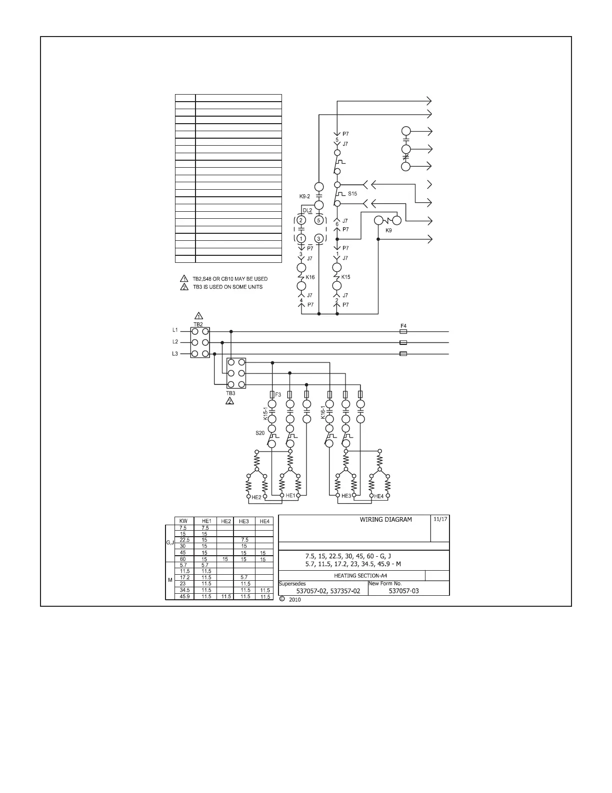
EHA-7.5, 15, 22.5, 30, 45 & 60kW G, J VOLTAGE
KCC SERIES UNITS
Lennox Commercial
HEATING-ELETRIC
REV. 2
F42
2
7
1
6
5
3
8
9
4
K9−1
A
B
9
6
A
B
A
B
P2
L1 L2
L3
T1 T2
T3
L1 L2
L3
T1 T2
T3
4
7
1
S19
7
8
P7J7
S157
S158
S159
KEY COMPONENT
DL2
DELAY-ELECTRIC HEAT
F3 FUSE-ELECTRIC HEAT
F4 FUSE-UNIT
F42 FUSE-ELECTRIC HEAT 2
HE1 ELEMENT-ELECTRIC HEAT 1
HE2 ELEMENT-ELECTRIC HEAT 2
HE3 ELEMENT-ELECTRIC HEAT 3
HE4 ELEMENT-ELECTRIC HEAT 4
J7 JACK-ELECT HT SUB-BUS KIT
K9,-1,2
RELAY-HEAT
K15,-1
CONTACTOR-ELECTRIC HT 1
K16,-1
CONTACTOR-ELECTRIC HT 2
P2
PLUG-HEAT
P7 PLUG-ELECT HT SUB-BASE KIT
S15
SWITCH LIMIT, PRIMARY, ELECT HT
S19 THERMOSTAT-ELECTRIC HEAT LIMIT
S20
SWITCH-LIMIT, SECONDARY ELECT HT
S157
SWITCH LIMIT, SECONDARY ELECT HT 2
S158
SWITCH LIMIT, SECONDARY ELECT HT 3
S159
SWITCH LIMIT, SECONDARY ELECT HT 4
TB2TERMINAL STRIP-UNIT
TB3TERMINAL STRIP-ELECTRIC HEAT

Related product manuals