EasyManua.ls Logo

Lennox LDT240

Lennox LDT240
54 pages
To Next Page IconTo Next Page
To Next Page IconTo Next Page
To Previous Page IconTo Previous Page
To Previous Page IconTo Previous Page
Loading...
Page 46
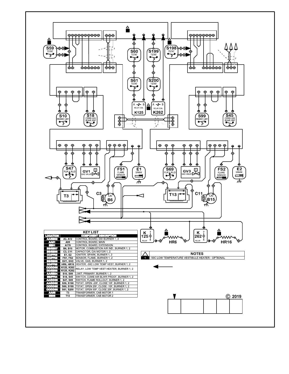
GAS HEAT DIAGRAM
T13
12345678
2
2
1
MP
HI
COM
1
1
2
WHT
COM
HI
MP
BLU
1
RED
1
234
3
56
5
6
2
RED
BLU
WB004
GRY
WHT
23
600V
230V
WHT
RED
BLK
21
1
4
WHT
WHT
WB007
7
56
1
1
2
3
8
2
4
3
6
5
1
1
3
2
YEL
4
345 678
456
12
3
34 1
4
2
1
WHTRED
3412
2
WHTRED
3
BRN
4
GRY
212
5
WHT
12
RED
1
3
DRNWR
4
RED
RED
2
2
RED
11
GRY
WHT
WHT
GRY
BRN
WHT
BRN
RED
REDRED
GRY
RED
REDRED
WHT
WHT
WHT
WHT
BRN
BRN
BRN
BRN
BRN
BRN
BRN
600V
230V
WHT
RED
BLK
5
PNK
6
WHTRED
PNK
PNK
PNK
YEL
YEL
12
2
YEL
YEL
YEL
PNK PNK
BRN
3
BLK
BLK
123
6
1
2
3
123
1
7
2
3
WB023
1
4
234
1
WHTRED
2
WHTRED
8
WB005
WB006
3
BRN
RED
RED
RED
RED
RED
RED
DRNWR
BLK
BRN
BLK
WB022
4
GRY
WB021
BRN
BLK
5
WHT
WHT
6
WHTRED
WHT
DRNWR
12
12
YEL
Model: LGT, LDT Series RTU Gas Heat
Voltage: 575V/3~/60Hz (J)
Supersedes:N/A Form No:
Input Heat Capacity 169k 480k Btuh
Rev: 0
9
WHT
WHT
WHT
10
RED
RED
WB016
SHT 1 CC06
1 2
WB016
SHT 1 AA06
RED
1
2
BLK
RED
BLK
J28
P28
P433
P406
J406
24VAC
COM
R1
W1
W2
R2
D1
MGV1
MGV2
GND
HEAT4
24VAC
GND
HEAT3
GND
COM
R1
W1
W2
R2
D1
MGV1
MGV2
P19
J396
P396
A55
J374
P374
24VAC
GND
GND
MAIN CTRL
P229
P21
A178
P229
P230
AUX CTRL
MODBUS
CABLE
J393
P393
FROM T3
TRANSFORMER
P406
J406
J408
P408
1
J408
P408
P229
P216
P228(1)
P434
GVM
GVCOM
GVHI
S47
S47
GVM
GVCOM
GVHI
S69
S69
J407
P407
S10
S10
S21
S21
S99
S99
S100
S100
J407
P407
S18
S18
S45
S45
J410
P410
J410
P410
P228(1)
P216
P229
P228(2) P228(2)
P230
A
J15
P15
P230
P230
MODBUS
CABLE
J413
P413
GB
MODBUS
P411
J411
AGB
MODBUS1
J412
P412
A
G
B
MODBUS2
P412
J412
MODBUS CABLE
P411
J411
TO P415
BSECT LOC CC06
A
G
B
MODBUS1
MODBUS2
AGB
J374
P374
L1LINE
LOW 1
LOW 2
HIGH
L1LINE
LOW 1
LOW 2
HIGH
FLAME SENS
FLAME SENS
SPARK
SPARK
LOW TEMPERATURE
VESTIBULE HEATER,
BURNER 1
LOW TEMPERATURE
VESTIBULE HEATER,
BURNER 2
LOW TEMP VEST HTR
BURNER 1
LOW TEMP VEST HTR
BURNER 2
P432
1
A3
1
DSI CTRL 1
1
DENOTES OPTIONAL COMPONENTS AND WIRING
11
FROM F10 T1 LOAD,
BSECT LOC NN07
FROM F10 T2 LOAD,
BSECT LOC NN07
A12
BRN
BRN
BLK
BLK
DSI CTRL 2
53822601
HEATI NG
SECTI ON
A
COOLI NG
SECTI ON
B
WI RI NG DI AGRAM FLOW
SECTI ON
B3
COOLI NG ACCS
SECTI ON
C
ACCS
SECTI ON
D
24VAC
GND
P432
HEAT1
GND
HEAT2
GND
MGV
GND
P433
P434

Other manuals for Lennox LDT240

Related product manuals