EasyManua.ls Logo

Lennox MWMA009S4-*P - Mmda Indoor Units

Lennox MWMA009S4-*P
168 pages
Print Icon
To Next Page IconTo Next Page
To Next Page IconTo Next Page
To Previous Page IconTo Previous Page
To Previous Page IconTo Previous Page
Loading...
70
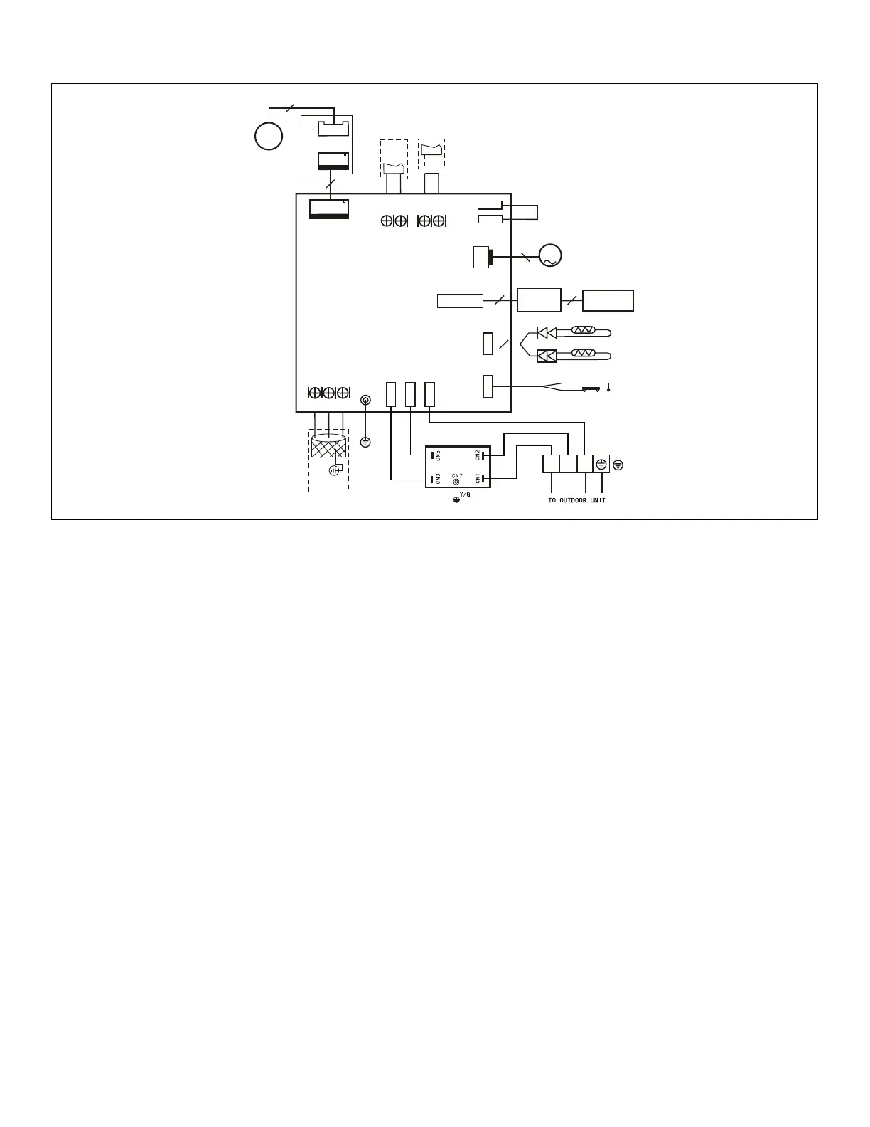
12.4. MMDA Indoor Units
T2
T1
CN6
4
INDOOR COIL TEMP. SENSOR
ROOM TEMP. SENSOR
BLACK
WHITE
INDOOR UNIT
MAINBOARD
CN23
ON/OFF
Remote
Control
CN33
ALA RM
Alarm
Output
RED
CN2
CN1
BLACK
1
2
Y/G
3
CN41
YELLOW
CN8
CN18
RED
DISPLAY
BOARD
TO WIRE
CONTROLLER
10
CN10
5
CN13
M
PUMP
2
Y/G
CN3
CN9
E Y X
To CCM
Comm.Bus
DC MOTOR
DRIVER MODULE
CN13
CN3
3
CN15
5
M
CN5
WATER LEVEL SWITCH
FILTER-BOARD
RED
BLACK
FAN
Figure 36. MMDA009S4-1P, MMDA012S4-1P, MMDAA018S4-1P Ducted Units Wiring Diagram

Table of Contents

Other manuals for Lennox MWMA009S4-*P

Related product manuals