EasyManua.ls Logo

Lennox MWMB012S4-*L - Control Board

Lennox MWMB012S4-*L
28 pages
To Next Page IconTo Next Page
To Next Page IconTo Next Page
To Previous Page IconTo Previous Page
To Previous Page IconTo Previous Page
Loading...
22
COMPRESSOR DISCHARGE
TEMP.SENSOR
BLACK
RED
L-OUT
2
Y/G
RED
BLACK
CN10
S
YELLOW
Y/G
CRANK CASE HEATER
PAN HEATER
Compressor
Control Board
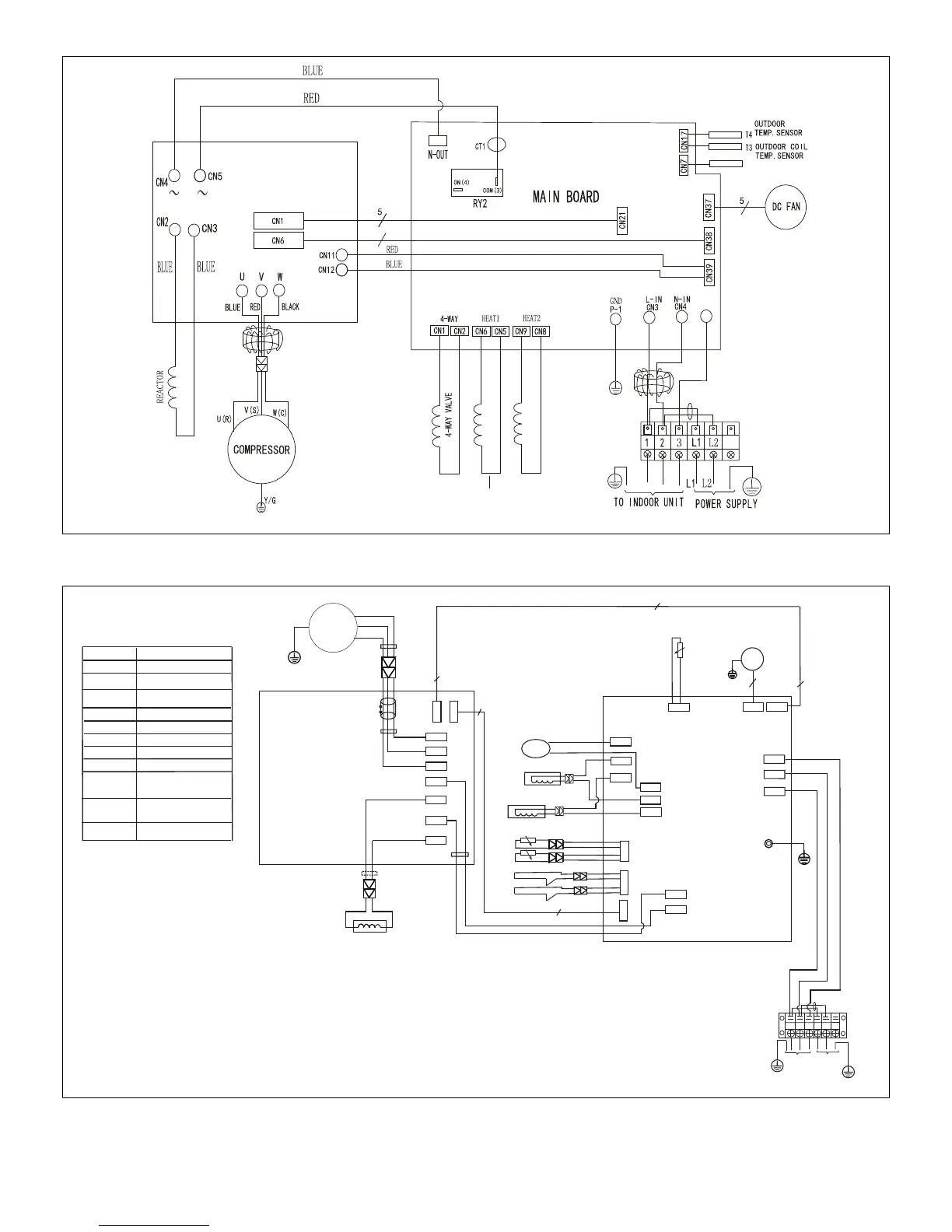
Figure 29. 208/230V MPA024S4S-*P Outdoor Unit Wiring Diagram
COMP
FM1
MAIN BOARD
U
V
W
Y/G
Y/G
L
L-PRO
T3
T4
CODE PART NAME
COMPRESSOR
HEAT1
4-WAY VALVE
COMP
H-PRO
L-PRO
LOW PRESSURE SWITCH
HIGH PRESSURE SWITCH
T3
T4
OUTDOOR COIL
TEMP.SENSOR
OUTDOOR TEMP.SENSOR
CRANKCASE HEATER
H-PRO
SV
L
PFC INDUCTOR
Y/G
COMPRESSOR DISCHARGE
TEMP.
RED
BLACK
V
U
CN19
CN51
CN55
W
BLACK
RED
7
7
YELLOW
BLUE
P-1
FM1
OUTDOOR DC FAN
CN53
CN3
CN4
CN10
CN40
CN22
CN44
CN8
CN9
CN7
CN2
CN1
CN5
CN54
CN52
3
CN33
CN6
SV
BLUE
BLUE
HEAT2
HEAT1
CN12 CN11
3
3
3
BLACK
RED
BLUE
BLUE
BLUE
YELLOW
RED
BLACK
RED
BLACK
JXI
L2
TO INDOOR UNIT
POWER SUPPLY
Y/G
2
3
L1
1
RED
RED
BLACK
YELLOW
S
BL A C K
YE L L O W
L1
L2
CR A N K C A S E HE A TE R
PA N H E A T E R
HE A T2
PA N H E AT E R
SE N S O R
V1.0 2015/5/08
Compressor
Control Board
Figure 30. 208/230V MPA030S4S-*P Outdoor Unit Wiring Diagram

Other manuals for Lennox MWMB012S4-*L

Related product manuals