EasyManua.ls Logo

Lennox MWMB012S4-*L - Indoor Unit Wiring Diagrams

Lennox MWMB012S4-*L
168 pages
To Next Page IconTo Next Page
To Next Page IconTo Next Page
To Previous Page IconTo Previous Page
To Previous Page IconTo Previous Page
Loading...
68
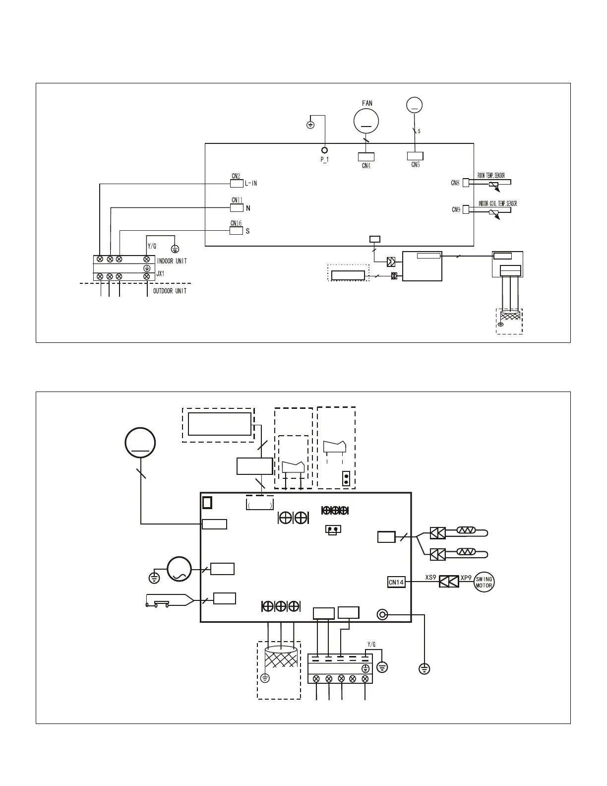
12. Indoor Unit Diagrams
12.1. MWMA and MWMB Indoor Unit
SWING MOTOR1
M
YELLOW
RED
M
5
1
2
3
BLACK
CN10A
DISPLAY BOARD
8
Wire Contoller
OPTIONAL
Contoller
CN3(CN301)
CN501
CN403
X Y E
To CCM
Comm.Bus
YELLOW
BROWN
RED
5
5
Figure 32. MWMA and MWMB Unit Wiring Diagram
12.2. M22A Indoor Unit
1 2 3
CN13
DISPLAY
BOA RD
10
T2
T1
CN6
4
ROOM TEMP.SENSOR
BLACK
WHITE
CN10A
M
PUMP
2
INDOOR UNIT
MAINBOARD
TO WIRE
CONTROLLER
5
CN23
ON - OFF
Remote
Control
CN33
ALARM
Alarm
Output
CN15
M
Motor
5
RED(B ROWN)
CN1
BLUE(BLACK )
CN5
WATER LEVEL SWITCH
E Y X
To CCM
Comm.Bus
P1
CN3
JR6
JR6
2
Y/G
CN110
YEL L OW
TO OUTDOOR UNIT
P5
CN10
INDOOR COIL TEMP. SENSOR
Note1:remove the JR6 jumper for
remote on/off control
Figure 33. M22A009S4-1P, M22A012S4-1P and M22A018S4-1P Unit Wiring Diagram

Table of Contents

Other manuals for Lennox MWMB012S4-*L

Related product manuals