EasyManua.ls Logo

Lennox TAA Series - T3 EH 072;150, 25-35 kW Y Voltage - Sequence of Operation; First Stage Heat Call

Lennox TAA Series
27 pages
Print Icon
To Next Page IconTo Next Page
To Next Page IconTo Next Page
To Previous Page IconTo Previous Page
To Previous Page IconTo Previous Page
Loading...
Page 26
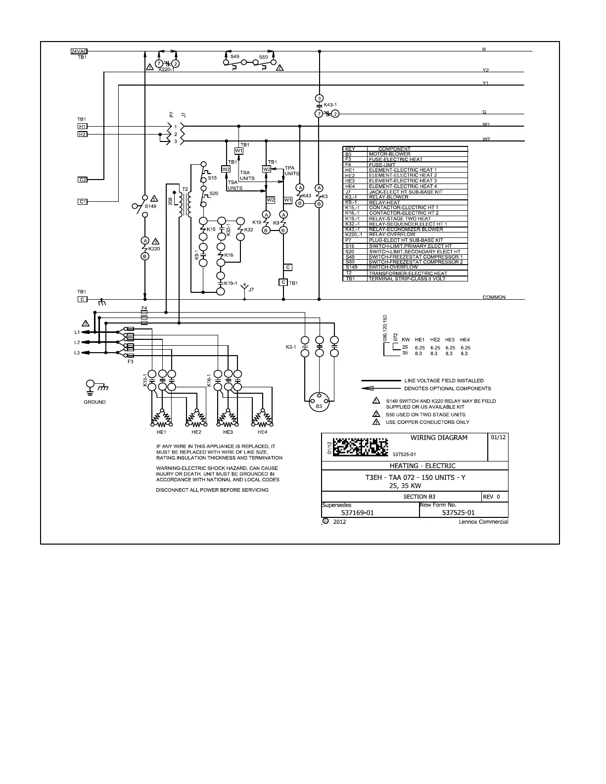
T3EH 072/150, 25−35 kW Y Voltage − Sequence of Operation
First Stage Heat Call
1. TSA − W1 heat demand energizes the economizer
relay K43 and heat relay K9. K43−1 closes energizing
blower relay K3
TPA − Unit will operate in heat mode" from the indoor
thermostat.
2. K3−1 closes energizing indoor blower B3. K9−1
closes energizing contactor K15. Second stage
heat relay K19 is energized. (Unit is ready for se-
cond stage heat but ONLY if there is a W2 call)
3. K15−1 closes and assuming primary limit S15 and secon-
dary limit S20 are closed, heating elements HE1 and HE2
are energized.
Second Stage Heat Call TSA / TPA
4. TSA − W2 calls for second stage heat. K19−1 closes ener-
gizing one side of contactor K16 which energizes one
side of relay K32. K32−1 closes energizing K16. K16−1
closes energizing HE3 and HE4.
TPA − W2 heat demand energizes K9 and K19. K9−1 and
K19−1 closes energizing K15, K16 and K32. K15−1 and
K16−1 closes energizing HE3 and HE4.

Related product manuals