EasyManua.ls Logo

Lennox XP17-024-230-01

Lennox XP17-024-230-01
83 pages
To Next Page IconTo Next Page
To Next Page IconTo Next Page
To Previous Page IconTo Previous Page
To Previous Page IconTo Previous Page
Loading...
Page 74
XP17
Evacuating the System
Evacuating the system of non-condensables is critical for proper operation of the unit. Non-condensables are defined as any
gas that will not condense under temperatures and pressures present during operation of an air conditioning system.
Non-condensables and water suction combine with refrigerant to produce substances that corrode copper piping and
compressor parts.
WARNING
Danger of Equipment Damage. Avoid deep vacuum operation. Do not use compressors to evacuate a system.
Extremely low vacuums can cause internal arcing and compressor failure. Damage caused by deep vacuum
operation will void warranty.
OUTDOOR
UNIT
TO VAPOR
SERVICE VALVE
TO LIQUID LINE
SERVICE VALVE
MICRON
GAUGE
VACUUM PUMP
A34000 1/4 SAE TEE WITH
SWIVEL COUPLER
500
MANIFOLD
GAUGE SET
HFC-410A
RECOMMEND
MINIMUM 3/8” HOSE
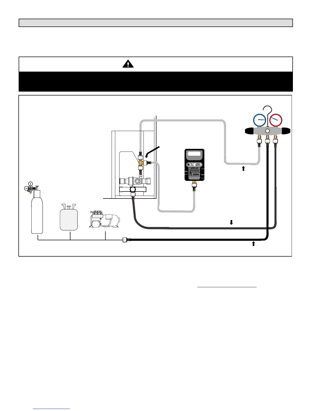
A Connect low side of manifold gauge set
with 1/4 SAE in-line tee to vapor line
service valve
B Connect high side of manifold gauge
set to liquid line service valve
C Connect micron gauge available
connector on the 1/4 SAE in-line tee.
D Connect the vacuum pump (with
vacuum gauge) to the center port of the
manifold gauge set. The center port
line will be used later for both the
HFC-410A and nitrogen containers.
HIGH
LOW
NITROGEN
CONNECT GAUGE SET
A
B
C
D
LINE SET AND INDOOR COIL
NOTE — Remove cores from service valves (if not al
ready done).
Figure 44. Connecting Gauge Set
EVACUATE LINE SET AND INDOOR COIL
The unit is shipped with a factory refrigerant charge. The
liquid and suction line valves were closed after final testing
at the factory. Do not operate these valves until the line set
and indoor coil have been evacuated and leak checked, or
the charge is lost.
Note: Do not use any portion of the factory charge for
purging or leak testing. The factory charge is for filling the
system only after a complete evacuation and leak check
has been performed.
Line set and indoor coil should be evacuated using the
recommend deep vacuum method of 500 microns. If deep
vacuum equipment is not available, the alternate triple
evacuation method may be used by following the specified
procedure.
If vacuum must be interrupted during the evacuation
procedure, always break vacuum with dry nitrogen.
Deep Vacuum Method
The deep vacuum method requires a vacuum pump
capable of pulling a vacuum to 500 microns and a vacuum
gauge capable of accurately measuring this vacuum level.
The deep vacuum method is the most positive way of
assuring a system is free of air and water.
Watch the vacuum gauge as the system is pulling down.
The response of the gauge is an indicator of the condition of
the system (refer to figure 45).
With no leaks in the system, allow the vacuum pump to run
for 30 minutes minimum at the deep vacuum level.

Related product manuals