EasyManua.ls Logo

Lennox ZCC092 - Power Supply Configurations; Single and Multiple Power Supply Options

Lennox ZCC092
49 pages
Print Icon
To Previous Page IconTo Previous Page
To Previous Page IconTo Previous Page
Loading...

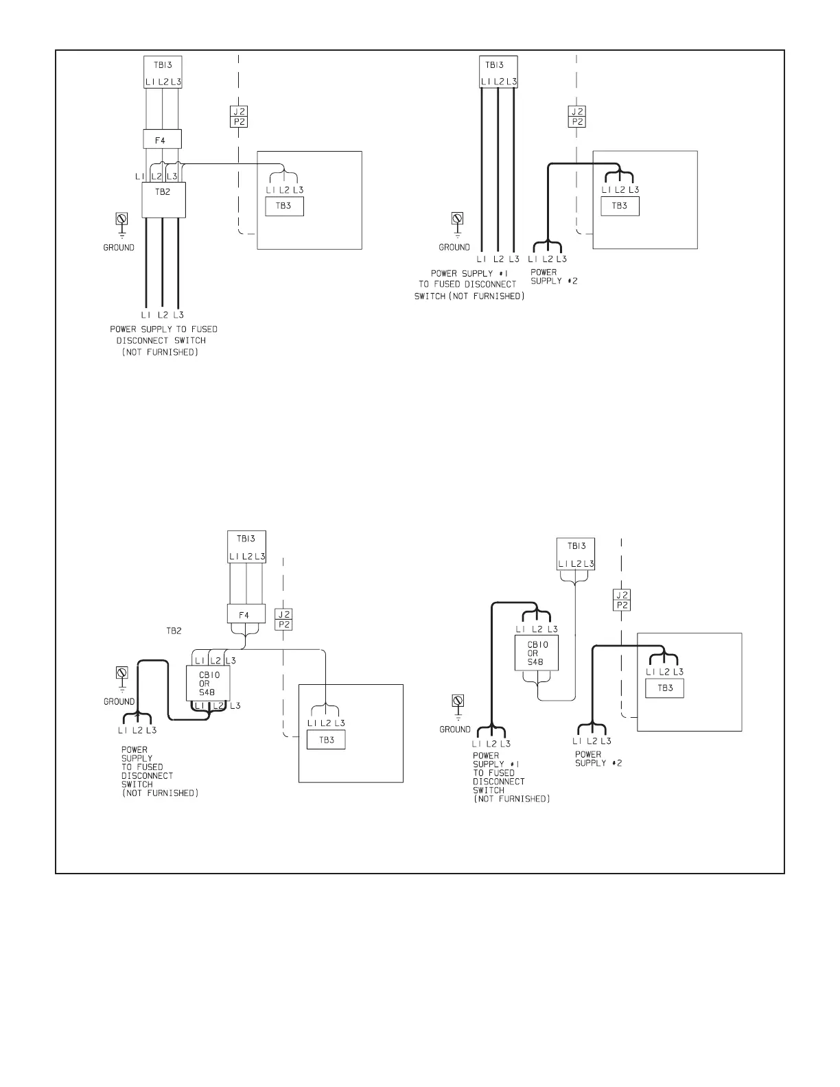
CB10-Circuit Breaker
F4- SPPS Terminal Block
J2- Low Voltage Control Harness
J3- Electric Heat Control Harness
S48- Disconnect
TB2- SPPS Terminal Block
TB3- Electric Heat Terminal Block
TB13- Unit Terminal Block
SINGLE POWER SUPPLY WITH CB10/S48MULTIPLE POWER SUPPLY WITH CB10/S48
84S/01BC ON - YLPPUS REWOP ELPITLUM84S RO 01BC ON - YLPPUS REWOP ELGNIS

Related product manuals