EasyManua.ls Logo

Lenz Digital plus LR101 - Page 41

Lenz Digital plus LR101
Print Icon
To Next Page IconTo Next Page
To Next Page IconTo Next Page
To Previous Page IconTo Previous Page
To Previous Page IconTo Previous Page
Loading...
41
F
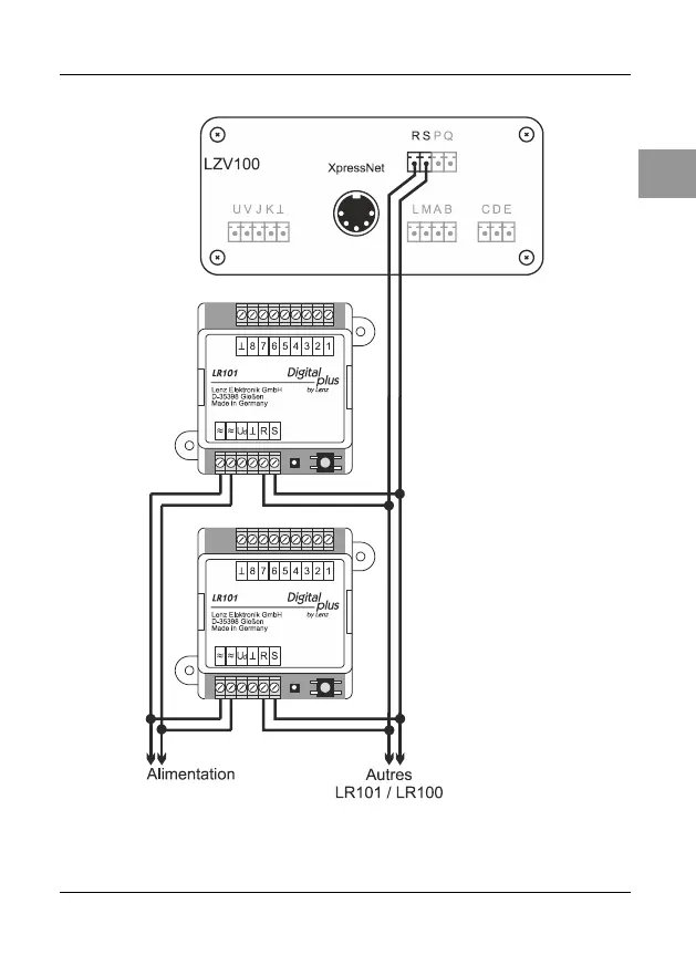
Figure 5

Related product manuals