EasyManua.ls Logo

Lenze EVS9324EP - Speed Setpoint Conditioning (NSET)

Lenze EVS9324EP
334 pages
Print Icon
To Next Page IconTo Next Page
To Next Page IconTo Next Page
To Previous Page IconTo Previous Page
To Previous Page IconTo Previous Page
Loading...
Function library
Function blocks
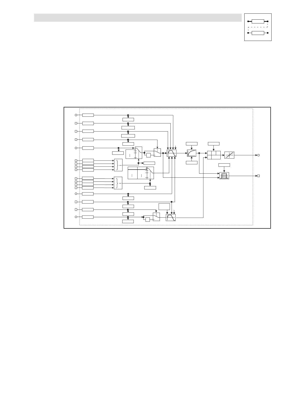
3.5.48 Speed setpoint conditioning (NSET)
3−225
l
EDSVS9332P−EXT DE 2.0
3.5.48 Speed setpoint conditioning (NSET)
Purpose
This FB conditions
l the main speed setpoint and
l an additional setpoint (or other signals as well)
for the following control structure via ramp function generator or fixed speeds.
C 0 1 3 4
C 0 1 8 2
C I N H
* - 1
C 0 0 3 9 / 1
C 0 0 3 9 / 1 5
C 0 0 3 9 / 2
C 0 1 0 3 / 1
C 0 1 0 3 / 1 5
C 0 1 0 3 / 2
C 0 1 0 1 / 1
C 0 1 0 1 / 1 5
C 0 1 0 1 / 2
C 0 0 1 2
C 0 0 1 3
+
-
*
/
x / ( 1 - y )
* - 1
C 0 1 9 0
x
y
C I N H
C 0 2 2 0 /
C 0 2 2 1
N S E T
C 0 0 4 6
C 0 0 4 9
N S E T - N A D D
N S E T - N
1
0
1
0
D M U X
0
3
0
1 5
N S E T - N A D D - I N V
N S E T - J O G * 1
N S E T - J O G * 2
N S E T - J O G * 4
N S E T - J O G * 8
D M U X
0
3
0
1 5
N S E T - T I * 1
N S E T - T I * 2
N S E T - T I * 4
N S E T - T I * 8
J O G 1 . . . 1 5
T I 0 . . . 1 5
N S E T - N - I N V
N S E T - R F G - S T O P
N S E T - R F G - 0
C 0 2 4 1
N S E T - N O U T
N S E T - R F G - I = 0
N S E T - S E T
N S E T - L O A D
N S E T - C I N H - V A L
C 0 7 9 9 / 1
C 0 7 9 9 / 1 2
C 0 7 9 9 / 1 3
C 0 7 9 8 / 1
C 0 7 9 8 / 2
C 0 7 9 9 / 2
C 0 7 9 9 / 3
C 0 7 8 4
C 0 7 9 0
C 0 7 8 9
C 0 7 8 1
C 0 7 8 0
C 0 7 8 7 / 1
C 0 7 8 8 / 1
C 0 7 8 5
C 0 7 8 6
C 0 7 8 3
C 0 7 8 2
C 0 7 8 7 / 2
C 0 7 8 7 / 3
C 0 7 8 7 / 4
C 0 7 8 8 / 2
C 0 7 8 8 / 3
C 0 7 8 8 / 4
C 0 1 3 0
C 0 0 4 5
± 1 9 9 , 9 9 %
Fig. 3−173 Speed setpoint conditioning (NSET)

Table of Contents

Related product manuals