EasyManua.ls Logo

Lenze EVS9327EP - Digital Frequency Processing (DFSET)

Lenze EVS9327EP
334 pages
Print Icon
To Next Page IconTo Next Page
To Next Page IconTo Next Page
To Previous Page IconTo Previous Page
To Previous Page IconTo Previous Page
Loading...
Function library
Function blocks
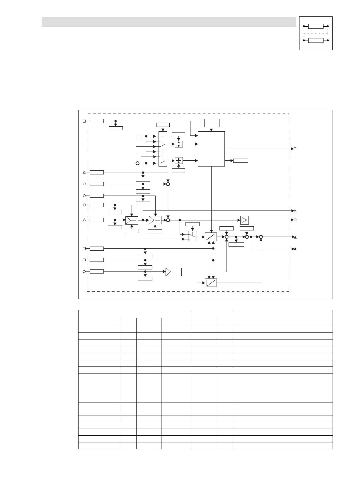
3.5.30 Digital frequency processing (DFSET)
3−177
l
EDSVS9332P−EXT DE 2.0
3.5.30 Digital frequency processing (DFSET)
Purpose
Conditions the digital frequency for the controller. Selection of the stretch factor, gearbox factor, and
speed or phase trimming.
*
a
b
b
a
*
a
b
b
a
+
+
1
0
+
+
C0537
C0536/2
C0536/1
C0033
C0533
C0530
C0252
C0536/3
C0538/2
C0539
DFSET
DFSET-NOUT
+
-
DFSET-A-TRIM
DFSET-N-TRIM
DFSET-RAT-DIV
DFSET-RESET
DFSET-IN
DFSET-PSET
DFSET-VP-DIV
DFSET-POUT
DFSET-SET
C0538/3
+
+
C0253
C0531
C0535
C0532
3
1
2
1
X5/E4
X9/6,7
MCTRL-PHI-ACT
C0538/1
DFSET-0-PULSE
DFSET-ACK
C0522
C0524
C0520
C0527
C0526
*
C0529
C0528/1
C0528/2
CTRL
DFSET-PSET2
C1258
DFSET-N-TRIM2
+
+
C0534
C0429
2
3
X5/E5
C0521
C0523
MCTRL-PHI-ACT
C0525
C1255
fb_dfset
Fig. 3−129 Digital frequency processing (DFSET)
Signal
Source Note
Name Type DIS DIS format CFG List
DFSET−IN phd C0539 dec [rpm] C0520 4 Speed/angle setpoint
DFSET−N−TRIM a C0537 dec [%] C0524 1 Speed trimming in [%] of C0011
DFSET−N−TRIM2 phd C1258 dec [rpm] C1255 4 Speed trimming in [rpm] of C0011
DFSET−A−TRIM a C0536/3 dec [inc] C0523 1 Phase trimming 100% = 16384 inc
DFSET−VP−DIV a C0536/1 dec C0521 1 Numerator of stretch factor 100 % = 16384 inc
DFSET−RAT−DIV a C0536//2 dec C0522 1 Numerator of gearbox factor 100 % = 16384 inc
DFSET−0−PULSE d C0538/1 bin C0525 2 HIGH = enable of zero pulse synchronisation
DFSET−SET d C0538/3 bin C0527 2 · HIGH = Set phase integrators to equal values
· LOW−HIGH edge sets DFSET−PSET = 0
· HIGH−LOW edge sets DFSET−PSET = current value
of MCTRL−PHI−SET
· DFSET−SET has a higher priority than DFSET−RESET
DFSET−RESET d C0538/2 bin C0526 2 · HIGH = sets position difference = 0
· HIGH = sets DFSET−PSET and DFSET−PSET2 = 0
DFSET−NOUT a in [%] of nmax (C0011)
DFSET−POUT phd Speed/angle setpoint
DFSET−PSET ph Following error for phase controller
DFSET−PSET2 ph Phase setpoint 65536 inc = 1 revolution
DFSET−ACK d HIGH = synchronising is performed

Table of Contents

Related product manuals