EasyManua.ls Logo

Lenze g500-S Series - Basic Dimensions

Lenze g500-S Series
160 pages
To Next Page IconTo Next Page
To Next Page IconTo Next Page
To Previous Page IconTo Previous Page
To Previous Page IconTo Previous Page
Loading...
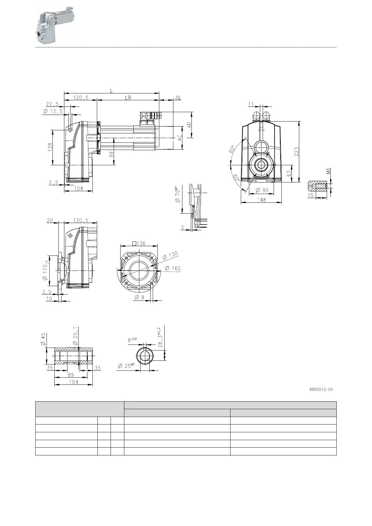
Basic dimensions
g500-S130, 2-stage
Gearbox version: Hollow sha without foot (HDR/HCR/HCK)
Motor m850-
S120/S3960 S120/M3960
Total length L mm 302 340
Motor length LB 182 220
Length of motor opons Δ L mm 46 46
Motor diameter AC mm 121 121
Motor/connecon distance AD mm 102 102
Technical data
Dimensions
Basic dimensions
93

Table of Contents

Other manuals for Lenze g500-S Series

Related product manuals