EasyManua.ls Logo

Lewmar 88 - Wiring Diagram Single Speed 40 to 48 - 12 V & 24 V

Lewmar 88
28 pages
Print Icon
To Next Page IconTo Next Page
To Next Page IconTo Next Page
To Previous Page IconTo Previous Page
To Previous Page IconTo Previous Page
Loading...
Page 13
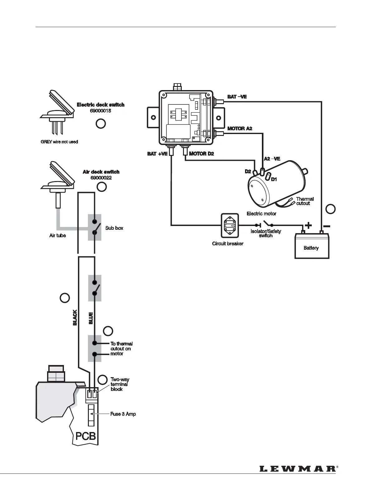
ELECTRICAL CONNECTIONS
ELEKTRISCHE VERBINDUNGEN • BRANCHEMENTS • ELECTRIQUE • CONEXIONES
ELECTRICAS • ELEKTRISKA ANSLUTNINGAR
2
1
5
6
4
3
Deck Switch Wiring
Single Speed Winches 40 to 48, 12V & 24V Ref: WSD 0873

Related product manuals