EasyManua.ls Logo

Lewmar CPX - Page 13

Lewmar CPX
30 pages
Print Icon
To Next Page IconTo Next Page
To Next Page IconTo Next Page
To Previous Page IconTo Previous Page
To Previous Page IconTo Previous Page
Loading...
Lewmar CPX Vertical Winlass ref 66300104 Iss. 5 | 13
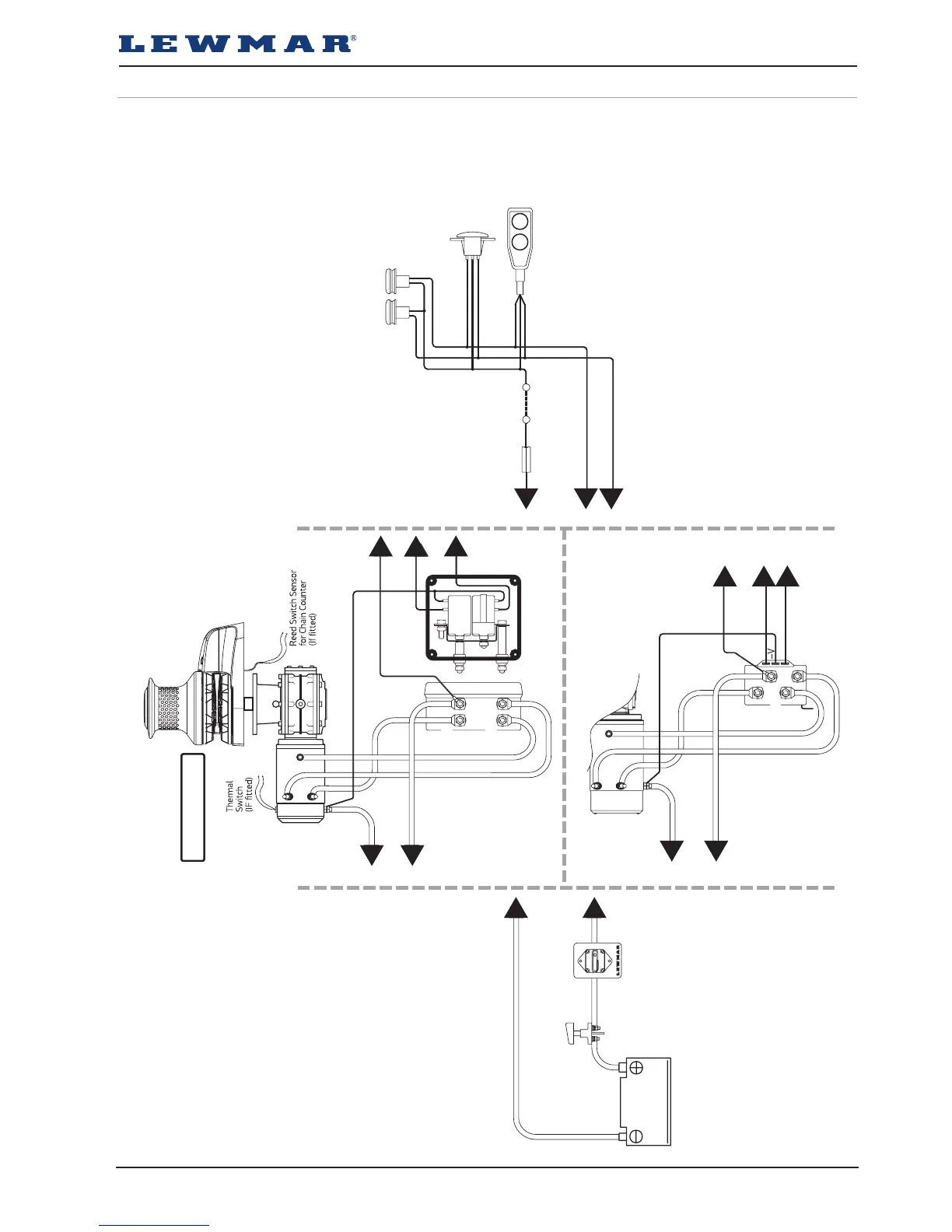
Electric Deck Switches
Rocker
Switches
Electric Remote
Control
Thermal
Switch
Fuse
3 A
UP
DOWN
UP
DOWN
1
2
3
4
5
4
5
1
2
3
1
2
3
Control Box
Contactor
CPX 4
2
1
BATT +VE
MOTOR
F2
MOTOR
F1
F2
A1
A2
A
F1
BATT +VE
MOTOR
F2
MOTOR
F1
A
F2
A1
A2
F1
Circuit Breaker
Battery
Isolator
Battery
12/24 VDC
4
5
1. NOTE: Motor connections
D1 = F1
D2 = F2
2. Switch wire thickness:
1.5 mm2 (16 AWG)
4.6 Wiring diagram CPX 4.

Related product manuals