EasyManua.ls Logo

Lewmar CPX - Page 12

Lewmar CPX
30 pages
Print Icon
To Next Page IconTo Next Page
To Next Page IconTo Next Page
To Previous Page IconTo Previous Page
To Previous Page IconTo Previous Page
Loading...
12
Circuit Breaker
Battery
Isolator
Battery
12/24 VDC
Contactor
Electric Deck Switches
Rocker
Switches
Electric Remote
Control
Thermal
Switch
Fuse
3 A
CPX 1-3 & 5
4
5
4
5
4
5
1
2
3
1
2
3
UP
DOWN
UP
DOWN
Control Box
1
2
3
2
1
BATT +VE
MOTOR D2
MOTOR D1
D1
D2
A2
BATT
+VE
MOTOR
F1
MOTOR
F2
D1
D2
A2
GB
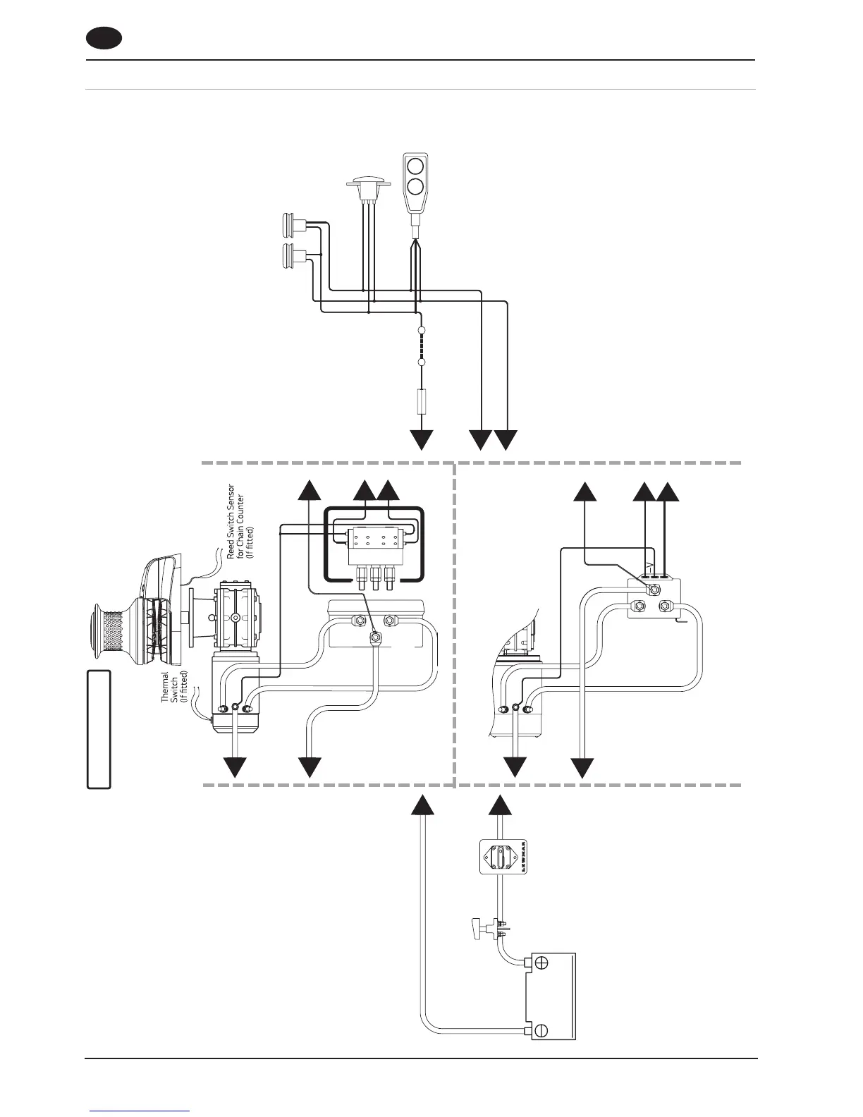
4.5 Wiring diagram CPX 1-3 & 5
Installation instructions are supplied separately with any accessories.
1.
NOTE: Motor connections
D1 = F1
D2 = F2
2. Switch wire thickness:
1.5 mm2 (16 AWG)

Related product manuals