EasyManua.ls Logo

Lexmark MX81x - Page 193

Lexmark MX81x
193 pages
Print Icon
To Previous Page IconTo Previous Page
To Previous Page IconTo Previous Page
Loading...
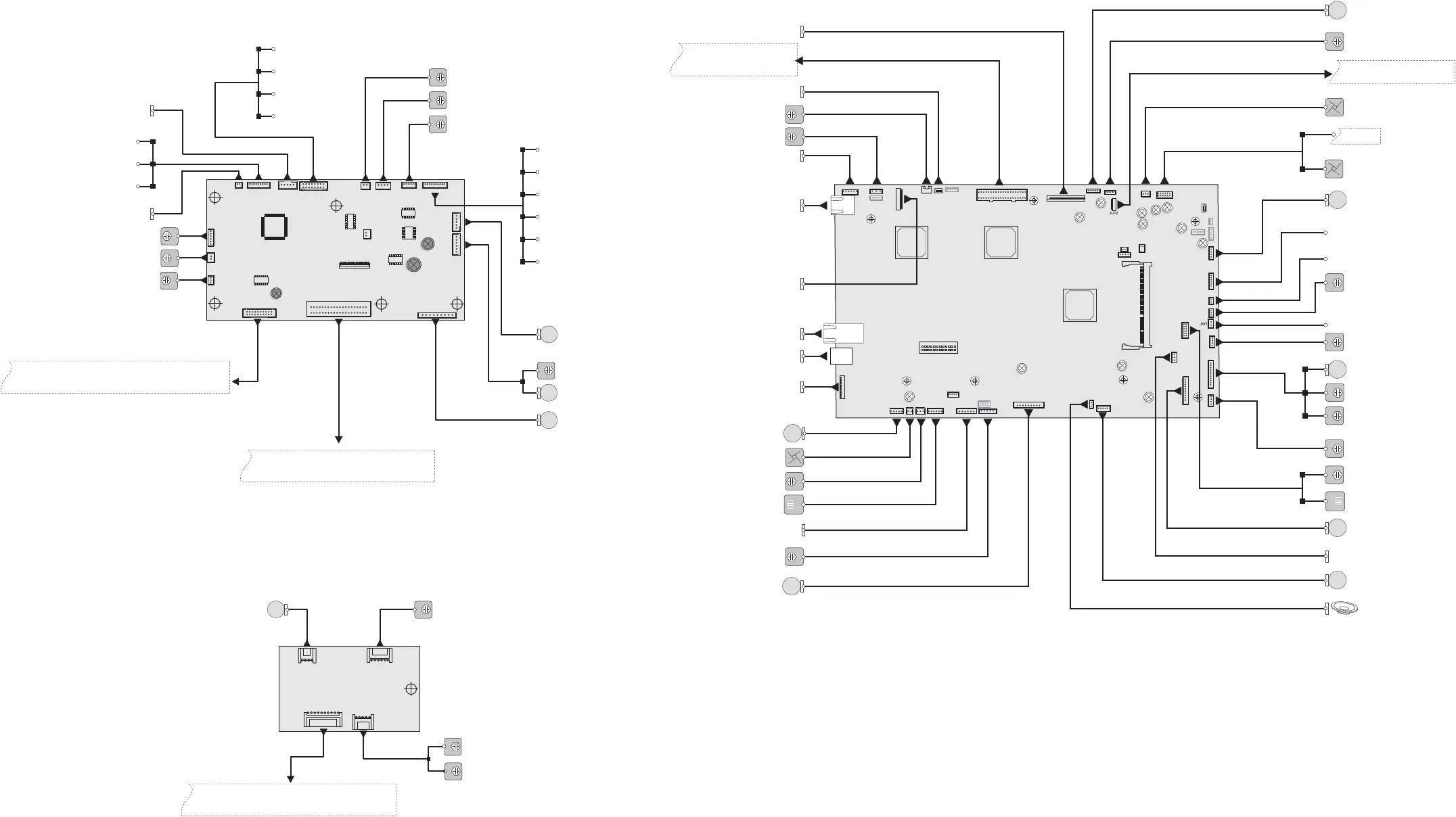
JLHBCN1
JPATH1
JTRAY1
JPATH2
JPP1 JBCON1
JMFRC1
JHINGE1
JELEV1
JPICK1
JXPORT1
JADF1
JICC1
JELVHM1
JSW1JFBL1
JCCDM1
JDSKW1
JSTEP1
JFLNDRV
JICC
JFB1
FLATBED SCANNER MEDIA LENGTH TRASMITTER SENSOR
FLATBED SCANNER REFERENCE LED
FLATBED SCANNER HOME POSITION SENSOR
CONNECTS TO ADF CONTROLLER BOARD
FLATBED SCANNER DRIVE MOTOR
ADF cable interface
(connects to printer controller board)
ADF TRANSFER MOTOR
ADF TRANSFER MOTOR
SENSOR
ADF TRAY ELEVATOR MOTOR
ADF MULTIFEED TRANSMITTER SENSOR (if equipped)
ADF TOP DOOR BEACON (if equipped)
ADF MEDIA PRESENT TRANSMITTER SENSOR
ADF GAP DETECT SENSOR
ADF PICK ROLLER POSITION SENSOR
ADF TOP DOOR
ADF MULTIFEED RECEIVER SENSOR ( if equipped)
ADF LOWER BEACON SENSOR ( if equipped)
ADF MEDIA PRESENT RECEIVER SENSOR ( if equipped)
ADF PICK SENSOR
ADF REGISTRATION SENSOR
ADF 1ST SCAN SENSOR
ADF 2ND SCAN SENSOR
ADF MEDIA TRAY (LED BOARD)
ADF TOP DOOR INTERLOCK SENSOR
ADF LOWER DOOR INTERLOCK SENSOR
ADF MEDIA EXIT SENSOR
ADF FRONT COVER BEACON (If equipped)
FLATBED MEDIA LENGTH RECEIVER SENSOR
ADF CLOSED INTERLOCK SENSOR
ADF ELEVATOR TRAY HOME POSITION SENSOR
ADF cable interface
(connects to flatbed scanner controller board)
SENSOR (INPUT)
MEDIA OUT SENSOR
PICK ROLLER POSITION SENSOR
MEDIA PICK MOTOR
IMAGE DENSITY SENSOR
TEMPERATURE PROBE
MPF MEDIA PRESENT SENSOR
MPF PICK SOLENOID
TONER CARTRIDGE SMART CHIP CONTACT
TONER ADD MOTOR
FUSER SENSOR
SMART CHIP
FUSER DRIVE MOTOR
TONER LEVEL CONTACT
UPPER REDRIVE MOTOR
SPEAKER
MAIN MOTOR
MEDIA SIZE SENSOR
LOWER OPTION INTERFACE CABLE
IMAGING UNIT SMART CHIP CONTACT
DUPLEX PATH SENSOR
DUPLEX COOLING FAN
DUPLEX DRIVE MOTOR
FAX CARD INTERFACE
USB INTERFACE
NETWORK CABLE INTERFACE
USB INTERFACE
TOP OPTION INTERFACE CABLE
FLATBED SCANNER CCD CABLE
STANDARD BIN FULL SENSOR
CONTROL PANEL USB INTERFACE
ADF TO PRINTER CABLE
PRINTHEAD LASER CONTROL
PRINTHEAD MIRROR MOTOR
CONTROL PANEL INTERLOCK SENSOR
MAIN COOLING FAN
CARTRIDGE COOLING FAN
HVPS
CONTROL PANEL BOARD
J80
J80
REAR DOOR INTERLOCK SENSOR
J18
J13
J39
JADF
J101
J39
J13
JADF
J101
J57
J57
J56
J56
J54
J9
J54
J48
J48
J58
J58
J3
J73
J50
J20
J20
JCTLS1
JCTLS1
J24
J24
J27
J104
J104
JAUD1
JAUD1
J21
J21
J31B
J31B
J81
J45
J29
J37
J28
J45
J29
J37
J28
JFX1
J4
J1
J51B
J38
JU
12
For signal, voltage and ground information, click .here

Table of Contents

Related product manuals