THE SYMBOL MARK OF THIS SCHEMETIC DIAGRAM INCORPORATES
SPECIAL FEATURES IMPORTANT FOR PROTECTION FROM X-RADIATION.
FIRE AND ELECTRICAL SHOCK HAZARDS, WHEN SERVICING IF IS
ESSENTIAL THAT ONLY MANUFACTURES SPECIFIED PARTS BE USED FOR
THE CRITICAL COMPONENTS IN THE SYMBOL MARK OF THE SCHEMETIC.
TUNER
TUNER_SCL
+3.3V_M
R412
100
PAL
C401
0.1uF
16V
READY
R414
10
PAL
R413
10
PAL
IF_P
IF_AGC
C405
0.1uF
16V
TUNER
+3.3V_TU
R403
100
READY
L401
BLM18PG121SN1D
TUNER
+3.3V_TU
TUNER_RESET
C410
0.1uF
16V
TUNER
IF_N
TUNER_SDA
+3.3V_TU
R404
100K
READY
C404
22uF
6.3V
TUNER
R408
1K
TUNER
R407
1K
TUNER
R415
TUNER
33
R416
TUNER
33
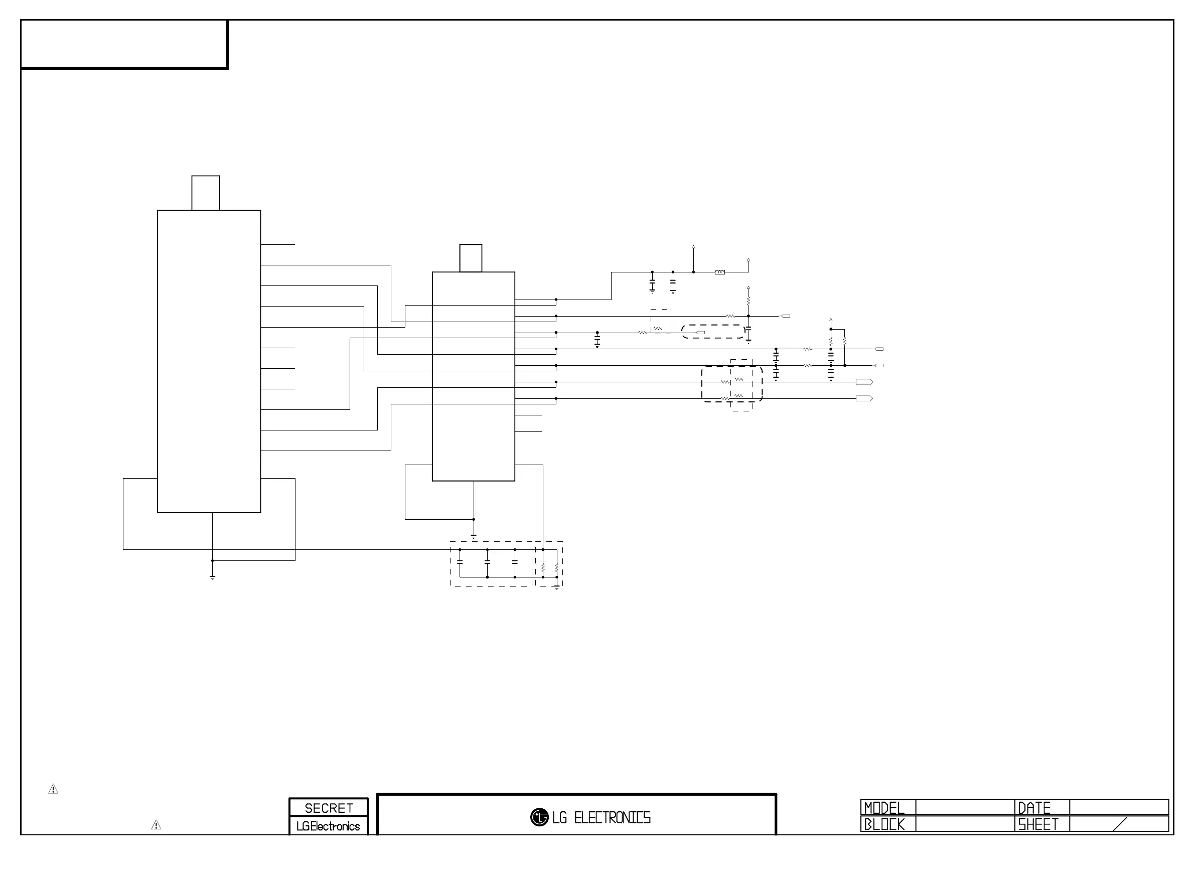
TDJH-G101D
TU401
MULTI_TUNER
47
SHIELD
6
IF[P]
7
IF[N]
8
NC_2
9
NC_3
1
B1[+3.3V]
2
NC_1
3
IF_AGC
4
SCL
5
SDA
A1
A1
B1
B1
C413
1000pF
630V
PAL
C411
1000pF
630V
PAL
C414
1000pF
630V
PAL
TU402
TDSS-H701F
NTSC
5
+B1[3.3V]
11
DIF[N]
2
NC_2
10
DIF[P]
4
SDA
1
NC_1
9
IF_AGC
8
NC_5
3
SCL
7
NC_4
6
NC_3
12
SHIELD
A1
A1
B1
B1
C403
20pF
50V
TUNER
C407
20pF
50V
READY
C406
20pF
50V
READY
C402
20pF
50V
TUNER
R413-*1
33
NTSC
R414-*1
33
NTSC
R412-*1
1K
NTSC
R402
0
NTSC
R401
0
NTSC
TUNER & IR
4 8
44A/45A/450A
Near the pin
IF
should be guarded by ground
Close to the tuner
2013/08/21
44A/45A/450A
TBD
To change the value from 0ohm to 33ohm at NTSC.
2013.11.27 by BJ.KIM
To set multi option for NTSC
2013.11.27 by BJ.KIM
To improve RF Noise issue.(
)
Apply -> Only use Asis Model
To improve RF Noise issue.
READY -> Only use NTSC
Size Up
1608->2012
Copyright ⓒ 2014 LG Electronics. Inc. All right reserved.
Only for training and service purposes