EasyManua.ls Logo

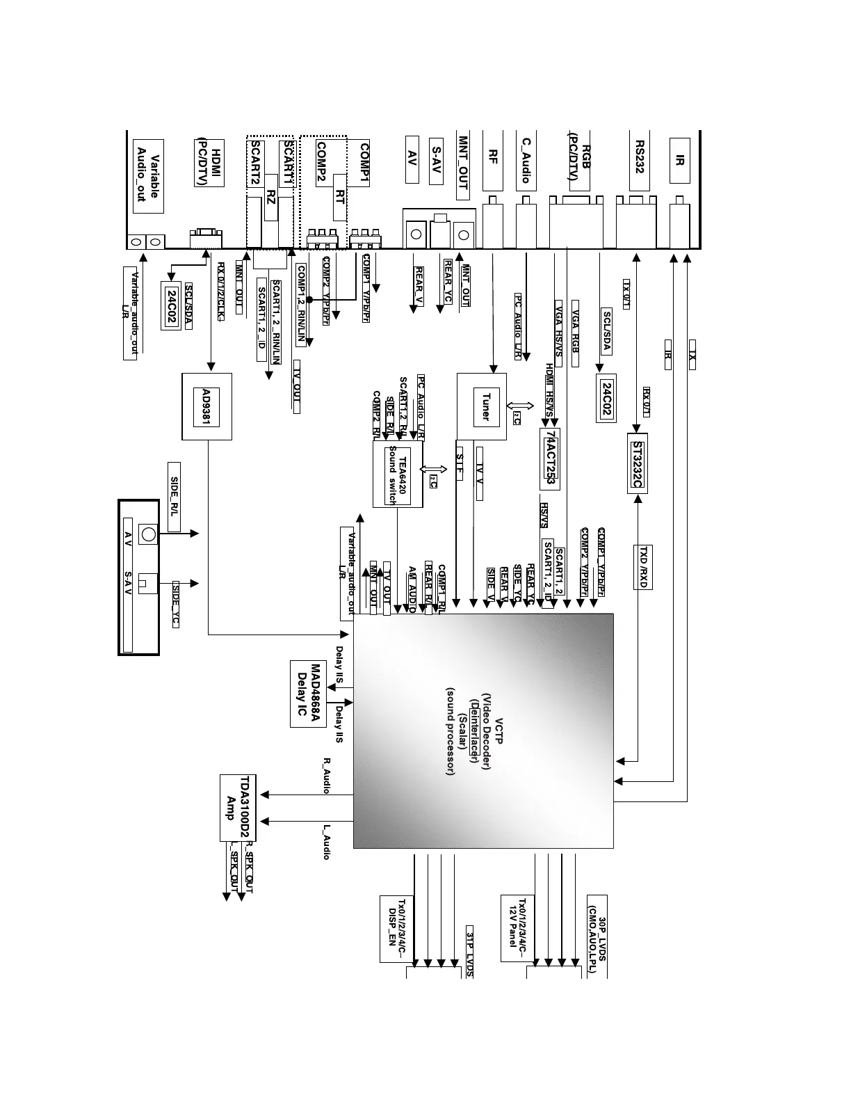
LG 32LC3R - Block Diagram

LG 32LC3R
38 pages
Print Icon
To Next Page IconTo Next Page
To Next Page IconTo Next Page
To Previous Page IconTo Previous Page
To Previous Page IconTo Previous Page
Loading...
BLOCK DIAGRAM
- 22 -

Related product manuals