EasyManua.ls Logo

LG 32LD330C - Page 21

LG 32LD330C
27 pages
Print Icon
To Next Page IconTo Next Page
To Next Page IconTo Next Page
To Previous Page IconTo Previous Page
To Previous Page IconTo Previous Page
Loading...
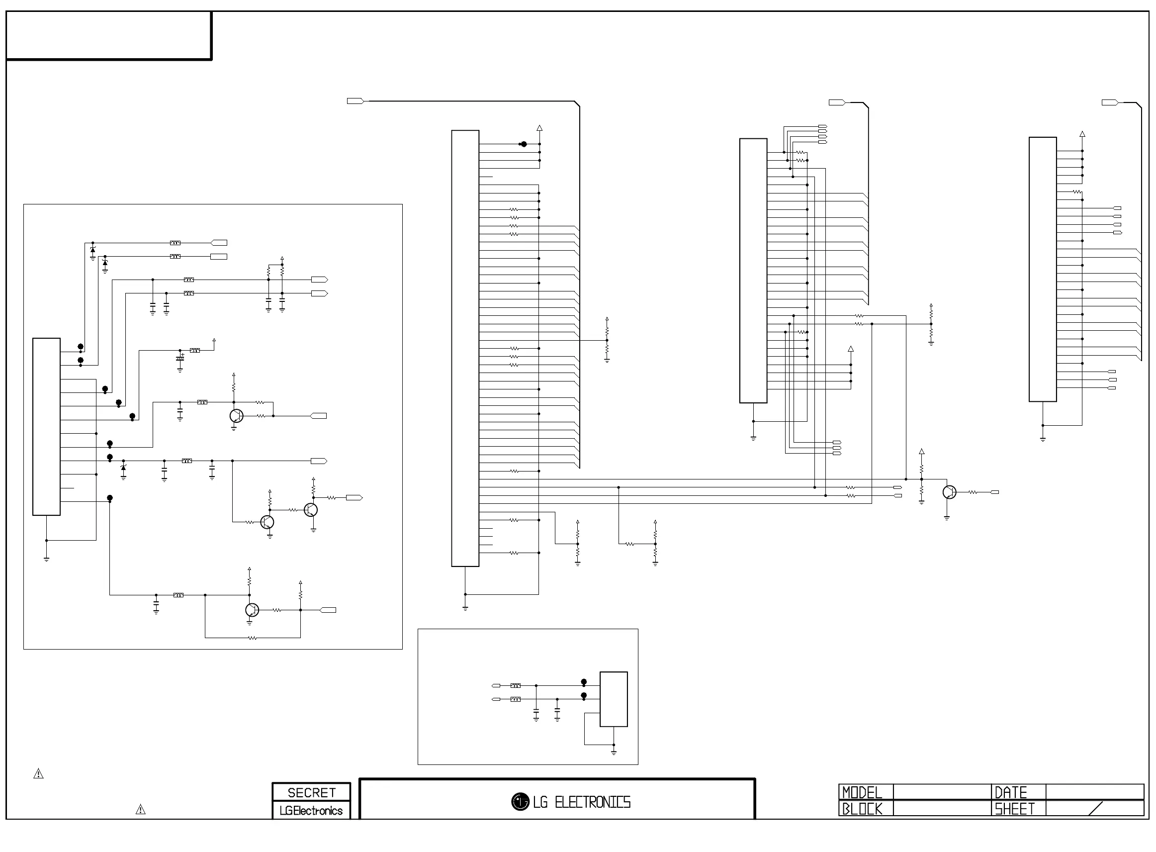
THE SYMBOL MARK OF THIS SCHEMETIC DIAGRAM INCORPORATES
SPECIAL FEATURES IMPORTANT FOR PROTECTION FROM X-RADIATION.
FILRE AND ELECTRICAL SHOCK HAZARDS, WHEN SERVICING IF IS
ESSENTIAL THAT ONLY MANUFATURES SPECFIED PARTS BE USED FOR
THE CRITICAL COMPONENTS IN THE SYMBOL MARK OF THE SCHEMETIC.
TXCE1-
TXCE1+
TXCE0-
TXCE0+
TXCE3+
TXCE3-
TXCLKE-
TXCLKE+
TXCE2-
TXCE2+
TXCE0+
TXCE0-
TXCE1+
TXCE1-
TXCE2+
TXCE2-
TXCLKE+
TXCLKE-
TXCE3+
TXCE3-
TXCO3-
TXCO3+
TXCLKO-
TXCLKO+
TXCO2-
TXCO2+
TXCE2+
TXCE2-
TXCLKE+
TXCLKE-
TXCE3+
TXCE3-
TXCO1-
TXCO1+
TXCE1+
TXCE1-
TXCO0-
TXCO0+
TXCE0+
TXCE0-
TXCE4+
TXCE4-
TXCO4+
TXCO4-
C402
47pF
50V
READY
R413
22
IR-OUT
C400
470pF
50V
NON_19_22INCH
KEY1
ZD400
5.6B
FHD BRIDING
L405 120ohm
NON_19_22INCH
ZD401
5.6B
FHD BRIDING
+3.5V_MST
ZD402
5.6B
READY
L401
FHD BRIDING
500-ohm
IR_OUT
R412
10K
IR-OUT
Q401
2SC3052
IR-OUT
E
B
C
L400
FHD BRIDING
500-ohm
SUB_SCL
L403
120ohm
KEY2
Q403
2SC3052
IR-OUT
E
B
C
+3.5V_MST
IR
SUB_SDA
C407
0.1uF
26_32INCH
+3.3V_MST
+3.5V_MST
C408
0.1uF
26_32INCH
L404 120ohm
NON_19_22INCH
+3.3V_MULTI_MST
C406
0.1uF
50V
READY
C404
47uF
16V
KEY2
C410
100pF
50V
19_22INCH
KEY1
C409
100pF
50V
19_22INCH
+5V_+12V_LCD
TXCE0+,TXCE0-,TXCE1+,TXCE1-,TXCE2+,TXCE2-,TXCE3+,TXCE3-,TXCE4+,TXCE4-,TXCLKE+,TXCLKE-
+3.3V_MULTI_MST
OPC_EN
E-DIM
OPC_OUT
C405
100pF
50V
C401
100pF
50V
L408
19_22INCH
L409
19_22INCH
L407
120ohm
L402
120ohm
R406
4.7K
R409
4.7K
R407
10K
IR-OUT
R410
10K
IR-OUT
R401
47K
IR-OUT
R420
4.7K
JEIDA
R421
0
VESA
R423
0
READY
R416 0
OPC_ENABLE
R422
470
OPC_ENABLE
L406
120-ohm
P402
FF10001-30
26_32INCH_HD_WAFER
1
2
3
4
5
6
7
8
9
10
11
12
13
14
15
16
17
18
19
20
21
22
23
24
25
26
27
28
29
30
31
+3.5V_MST
Q404
RT1C3904-T112
OPC_ENABLE
E B
C
R424
1K
OPC_ENABLE
R400
10K
Q400
2SC3052
E
B
C
+3.3V_MULTI_MST
R405
10K
R403
10K
Q402
2SC3052
E
B
C
+3.5V_MST
R408
10K
R411
4.7K
R404
0
READY
R402
0
READY
C403
470pF
50V
NON_19_22INCH
SUB_SCL
LED_R
P404
12507WR-03L
19_22INCH
1
KEY1
2
KEY2
3
GND
4
P403
FF10001-30
19_22INCH
1
2
3
4
5
6
7
8
9
10
11
12
13
14
15
16
17
18
19
20
21
22
23
24
25
26
27
28
29
30
31
+5V_+12V_LCD
TXCE0+,TXCE0-,TXCE1+,TXCE1-,TXCE2+,TXCE2-,TXCE3+,TXCE3-,TXCE4+,TXCE4-,TXCLKE+,TXCLKE-
SMALL_NC2
SMALL_NC1
SMALL_OPC_OUT
SMALL_NC3
SMALL_OPC_EN
SMALL_NC4
R414
0
HD_normal
R418 0
OPC_ENABLE
R419 0
LVDS_SEL
R415
0
HD_normal
SMALL_OPC_EN
SMALL_NC3
SMALL_NC4
SMALL_NC1
SMALL_OPC_OUT
SMALL_NC2
P400
12507WR-12L
1
SCL
2
SDA
3
GND
4
KEY1
5
KEY2
6
5V_ST
7
GND
8
LED_B/LG_LOGO
9
IR
10
GND
11
ST_3.3V
12
LED_R/BUZZ
13
.
SMALL_NC5
SMALL_NC5
P401
TF05-51S
51P_FFC_WAFER_FHD
1
2
3
4
5
6
7
8
9
10
11
12
13
14
15
16
17
18
19
20
21
22
23
24
25
26
27
28
29
30
31
32
33
34
35
36
37
38
39
40
41
42
43
44
45
46
47
48
49
50
51
52
TXCE0+,TXCE0-,TXCE1+,TXCE1-,TXCE2+,TXCE2-,TXCE3+,TXCE3-,TXCE4+,TXCE4-,TXCLKE+,TXCLKE-,TXCLKO+,TXCLKO-,TXCO0+,TXCO0-,TXCO1+,TXCO1-,TXCO2+,TXCO2-,TXCO3+,TXCO3-,TXCO4+,TXCO4-
+5V_+12V_LCD
R431 0
SHARP 42FHD
R432
0
NON_Small CMO
R425 0
HD_normal
R429 0
AUO/SHARP 42FHD
R428 0
AUO/SHARP 42FHD
R427 0
AUO/SHARP 42FHD
R426 0
AUO/SHARP 42FHD
+3.3V_MULTI_MST
R433
4.7K
READY
R434
0
NON CMO FHD
R435 0
NON CMO 42FHD
R436 0
NON CMO 42FHD
R437 0
NON CMO 42FHD
R438 0
NON CMO 42FHD
R417 0
OPC_ENABLE
R439 0
READY
R440
4.7K
READY
R441
0
READY
+3.3V_MULTI_MST
R442
4.7K
SHARP 42FHD
R443
0
AUO FHD
+3.3V_MULTI_MST
R444 0
NON AUO 42FHD
LVDS,CTR KEY
4 9
2009/12/23
CONTROL KEY
OPC_EABLE
OPC_OUTPUT
External VBR
PANEL WAFER
IR
**OPC_ENABLE : USE LGD Module
LD330/LD420
LP91H
EAX61532102
FHD
26inch AUO : OPEN
26inch SHARP : Pull down
51 47 46 45 44 43 42 41 28
SHARP 32INCH FHD
R444 R431 R442
R443 R421
R420 R416 R417 R418
R423
R438 R429
O X X
X
X X X
O
R428
27 26
R437
R434
25
R433 R427
12
R426
11 10
R436
9
R435
O
R434
O O
VESA
IPS 32INCH FHD
O X X
X
VESA
X XX O X X O
R434
X X O O
SHARP 32INCH FHD
O O O O
Copyright © 2010 LG Electronics. Inc. All rights reserved.
Only for training and service purposes
LGE Internal Use Only

Related product manuals