EasyManua.ls Logo

LG 32LF7300 - Block Diagram

LG 32LF7300
58 pages
To Next Page IconTo Next Page
To Next Page IconTo Next Page
To Previous Page IconTo Previous Page
To Previous Page IconTo Previous Page
Loading...
Copyright © 2009 LG Electronics. Inc. All right reserved. -30- LGE Internal Use Only
Only for training and service purposes
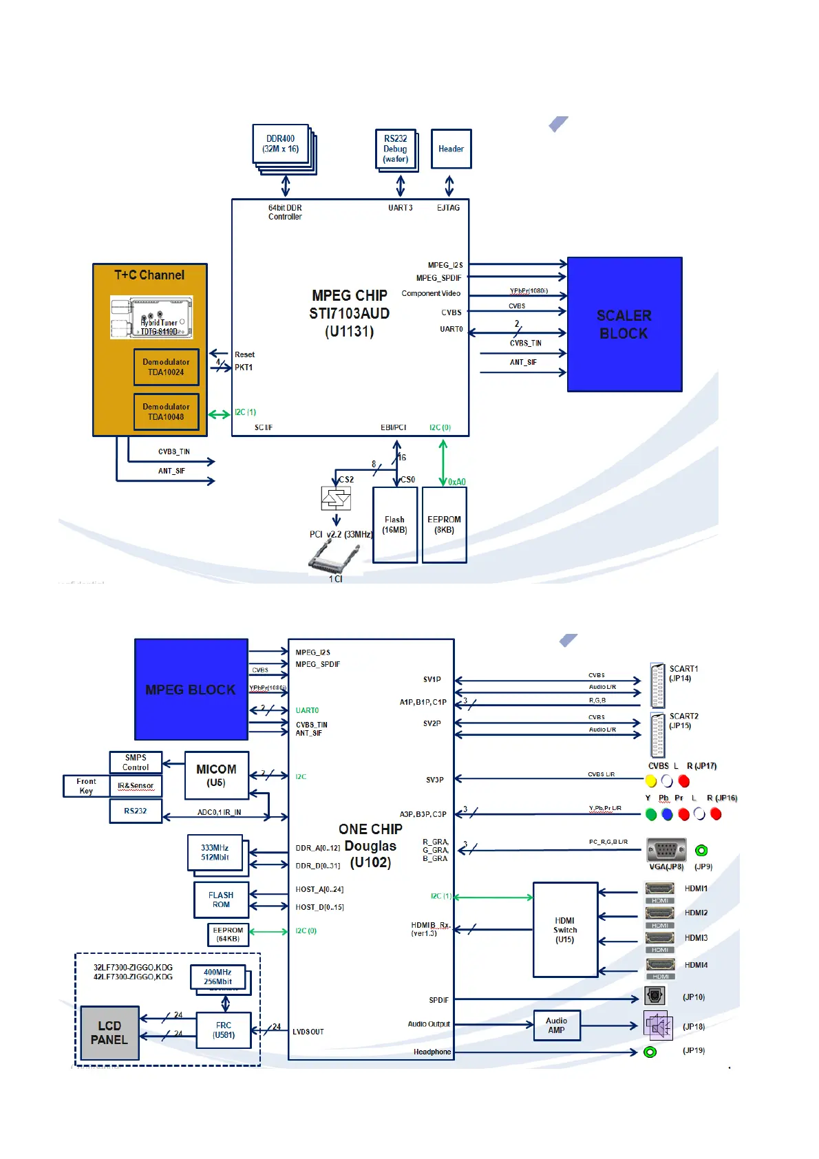
BLOCK DIAGRAM
1. MPEG (ALL MODEL)
2. SCALER (32/42LF7300-ZD)

Related product manuals