EasyManua.ls Logo

LG 42PC35 - Block Diagram

LG 42PC35
53 pages
Print Icon
To Next Page IconTo Next Page
To Next Page IconTo Next Page
To Previous Page IconTo Previous Page
To Previous Page IconTo Previous Page
Loading...
- 28 -
LGE Internal Use OnlyCopyright©2007 LG Electronics. Inc. All right reserved.
Only for training and service purposes
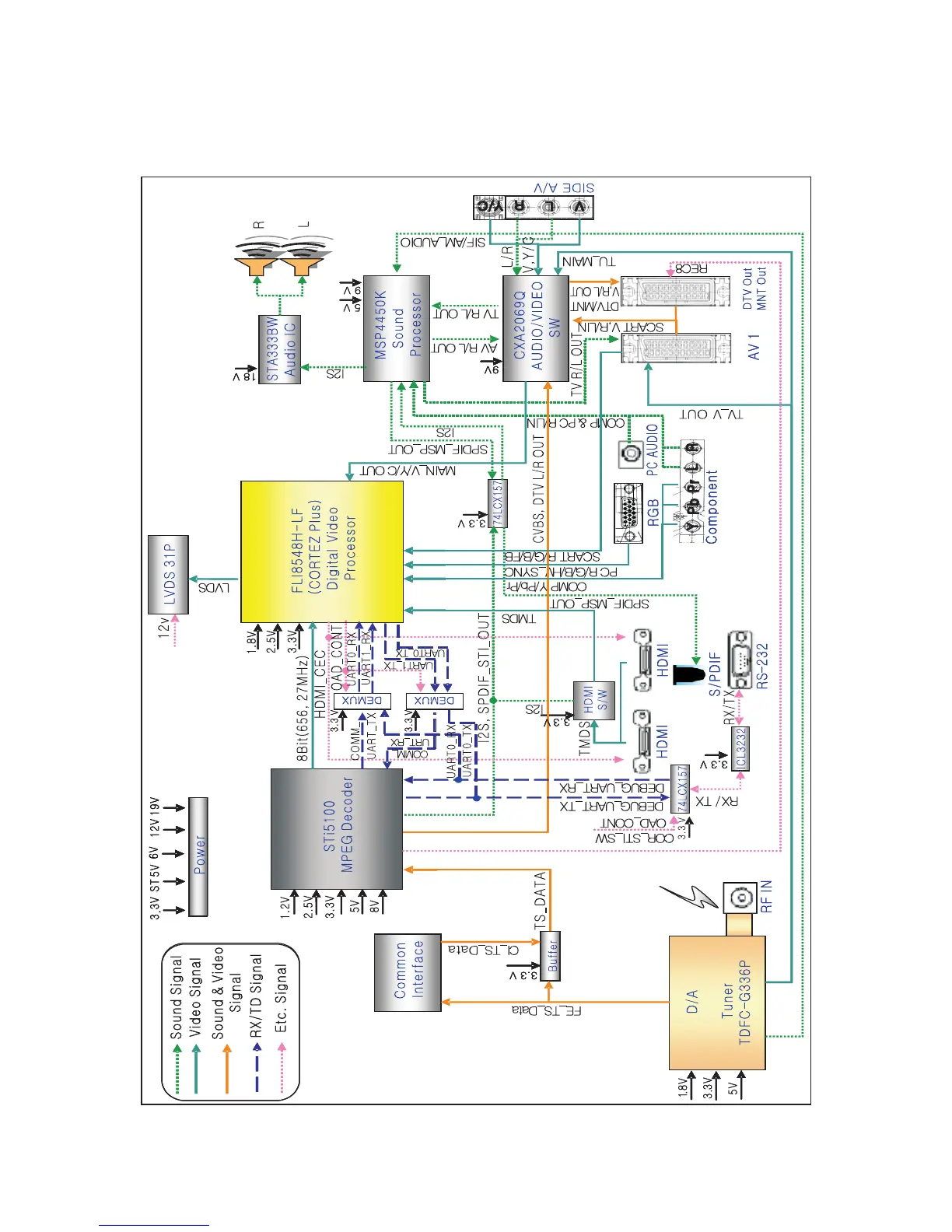
BLOCK DIAGRAM

Related product manuals