EasyManua.ls Logo

LG 42PC51 - Block Diagram; System Block Diagram

LG 42PC51
40 pages
Print Icon
To Next Page IconTo Next Page
To Next Page IconTo Next Page
To Previous Page IconTo Previous Page
To Previous Page IconTo Previous Page
Loading...
- 24 -
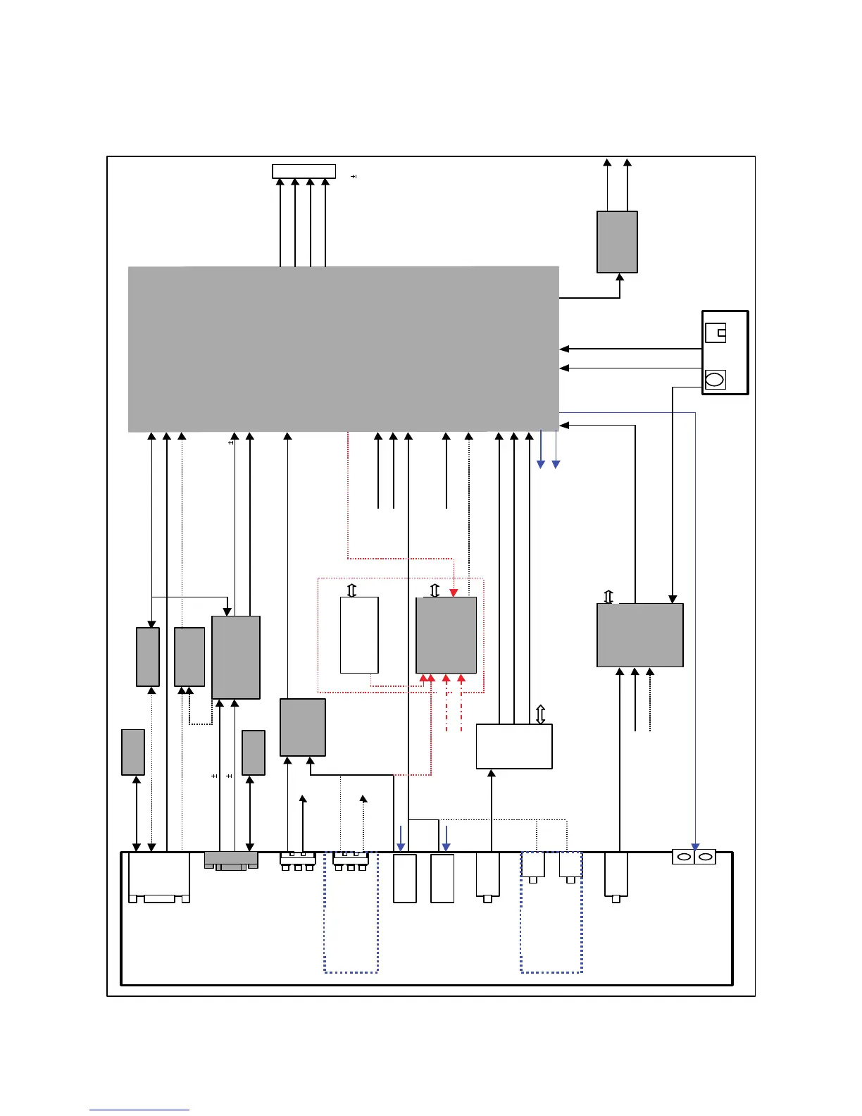
BLOCK DIAGRAM
SIDE_Y/C
PC_Audio
RF
PC_Audio_L/R
TUNER
TV_V
S I F
AV_RCA
MNT_OUT MNT_OUT
COMP1
COMP2
COMP_Y/Pb/Pr
TDA3107D2
Amp
Tx0/1/2/3/4/C
12V Panel /DISP_EN
R_SPK_OUT
#1 RX 0/1/2/CLK
DDC_SCL/SDA1/2
HDMI
(PC/DTV)
SCART1
SCART2
SCART
RGBRGB
COMP1_Y/Pb/Pr
TV_OUT TV_OUT
SCART1,2_R/L R/L_Audio
(Analog_out)
RGB
(PC/DTV)
PC_RGB
A V S-A V
SIDE_V
PC_SCL/SDA
I2 C
L_SPK_OUT
RT-OPTION
RGB_HS/VS
HDMI_HS/VS
30P_LVDS
HEAD_OUT
L/R HEAD_OUTHEAD_OUT
L/R
COMP2_R/L
HS/VS
PIP OPTION
ANX9021ANX9021
(TMDS RECIEVER)(TMDS RECIEVER)
TEA6420
Sound switch
#2 RX 0/1/2/CLK
SIDE_R/L
SCART1,2_V (RCA1,2_V)
EEPROMEEPROM
SUB-TUNER
VIDEO_DECODER
TW9909TW9909
EEPROMEEPROM
VCT-Pro
(Lip-sync)
SCART_FB
AV_AUDIO R/L
AM_AUDIO
COMP1_R/L
I2 C
RX 0/1/2/CLK
TV_OUTTV_OUT
MNT_OUTMNT_OUT
PIP_V
ITU-656_IN
SCART1,2_I D
HDMI_Y/Pb/Pr(1080P
)
SCART_RGB
STMAV335
(MUX)
RT- OPTION
COMP1_R/L
RCA1,2_V(OPTION)
COMP2_Y/Pb/Pr
(OPTION)
COMP2_R/L
MC74HC4066MC74HC4066
DOWNLOAD_SW
I2 C
I2 C
I2 C
COMP1_Y/Pb/PrCOMP1_Y/Pb/Pr
COMP2_Y/Pb/PrCOMP2_Y/Pb/Pr
(OPTION)(OPTION)
74ACT25374ACT253
(MUX)(MUX)
TV_SUBTV_SUB