EasyManua.ls Logo

LG 42PG20 - Page 40

LG 42PG20
122 pages
Print Icon
To Next Page IconTo Next Page
To Next Page IconTo Next Page
To Previous Page IconTo Previous Page
To Previous Page IconTo Previous Page
Loading...
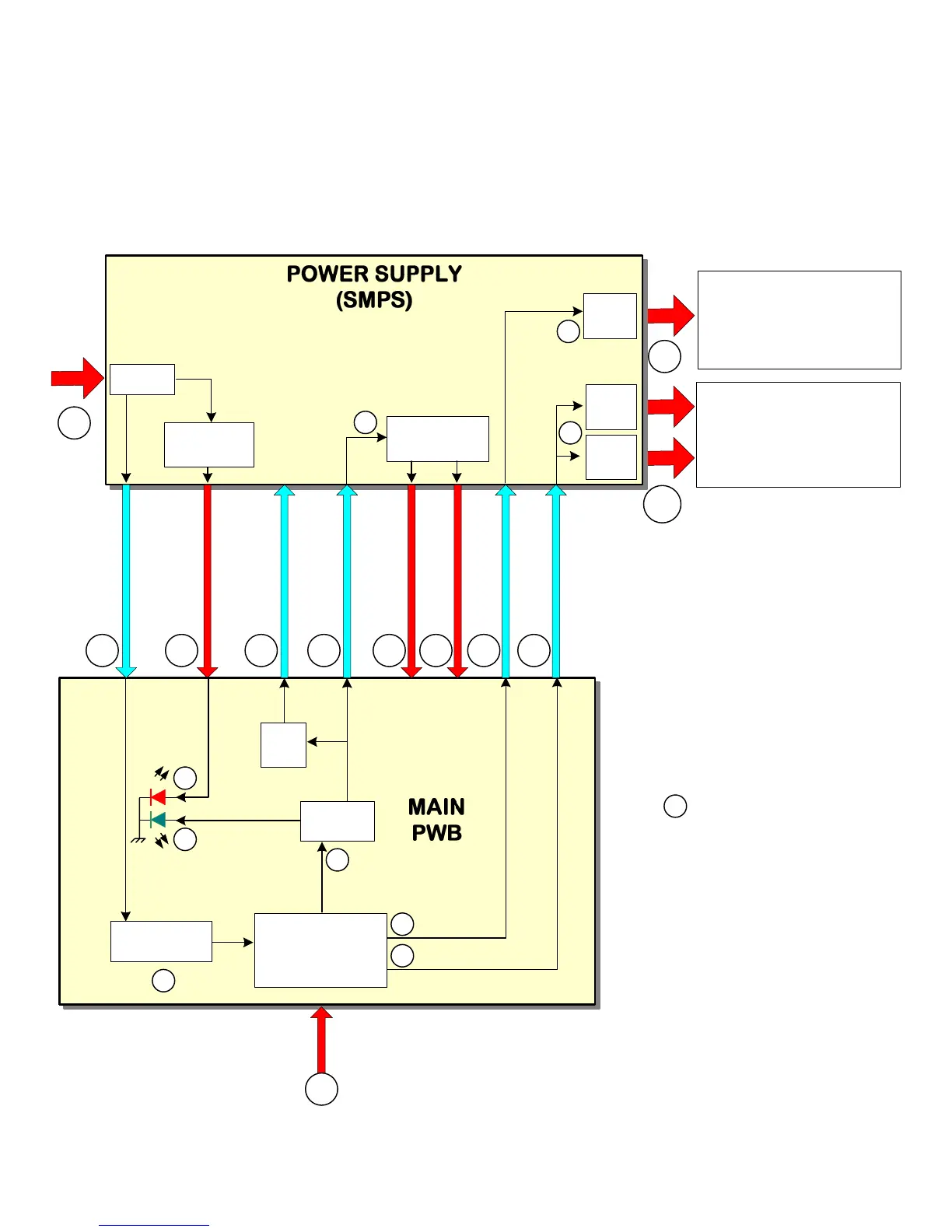
M5V (DC Voltage)
To Y-SUS, then to
Control PWB.
Vs/Va (DC Voltage)
To Y-SUS, Z-SUS
Va routed to X-PWBs
AC In
Stand
By 5V
Power
Button
Remote
Or Key
AC
Det.
Resets
Main Board
Turns on
Green LED
Relay
On
Relay
On
12V
Video
M5V
On
Vs
On
Microprocessor
or
BCM
M5V
Reg
Vs
Reg
Va
Reg
12V/16V
Regulators
5V
Det.
5V
Reg
Stand
By 5V Reg
1
23 55 66 7 9
8
10
2
5
4
Both LEDs On
Looks Amber
NOTE 1:
50PG20 has 12V and 16V to Main at turn on.
42PG20 only has 16V.
At point TV is in
Stand-By state.
Energy Star compliant.
Less than 1 Watt
50PG20/42PG20 POWER SUPPLY
TURN ON COMMANDS FROM MAIN PWB
5
5
9
7
In Stand-By
Primary side is
90V
In Run (Relay On)
Primary side is
370V
3
Turns on
Red LED
3
16V
Audio
12V
See
Note1
16V
AC
Det.
7
9

Other manuals for LG 42PG20

Related product manuals