EasyManua.ls Logo

LG 55G2 - SCART AUDIO AMP

LG 55G2
122 pages
Print Icon
To Next Page IconTo Next Page
To Next Page IconTo Next Page
To Previous Page IconTo Previous Page
To Previous Page IconTo Previous Page
Loading...
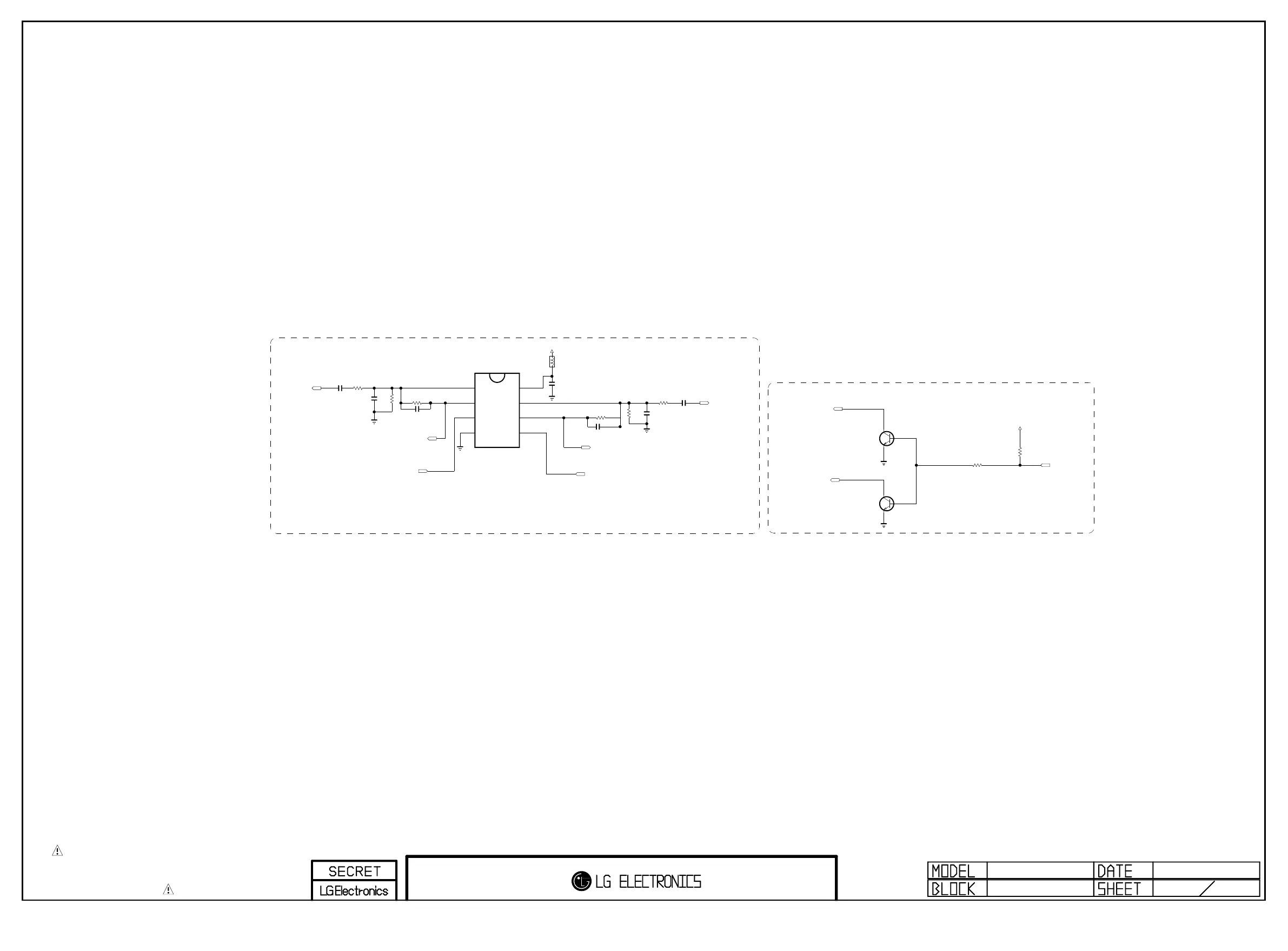
THE SYMBOL MARK OF THIS SCHEMETIC DIAGRAM INCORPORATES
SPECIAL FEATURES IMPORTANT FOR PROTECTION FROM X-RADIATION.
FILRE AND ELECTRICAL SHOCK HAZARDS, WHEN SERVICING IF IS
ESSENTIAL THAT ONLY MANUFATURES SPECFIED PARTS BE USED FOR
THE CRITICAL COMPONENTS IN THE SYMBOL MARK OF THE SCHEMETIC.
SIGN600005
SCART_Rout
SCART_MUTE
SCART_Lout
DTV/MNT_R_OUT
R6012
4.7K
OPT
+12V
C6005
33pF
EU
R6010
470K
OPT
R6008 33K
EU
+3.5V_ST
C6004
0.1uF
50V
EU
R60002.2K
EU
L6000
EU
R6002
470K
OPT
Q6000
MMBT3904(NXP)
EU
E
B
C
R6011
2.2K
EU
DTV/MNT_R_OUT
C6003
33pF
EU
DTV/MNT_L_OUT
Q6001
MMBT3904(NXP)
EU
E
B
C
DTV/MNT_L_OUT
R600433K
EU
C6002
6800pF
OPT
C6007
6800pF
OPT
C6008
1uF
25V
EU
C6000
1uF
25V
EU
IC6000
AZ4580MTR-E1
EU
3
IN1+
2
IN1-
4
VEE
1
OUT1
5
IN2+
6
IN2-
7
OUT2
8
VCC
SCART_AMP_R_FB
SCART_AMP_L_FB
R6013
510
EU
[SCART AUDIO MUTE]
AUD_OUT >> EU/CHINA_HOTEL_OPT
60
SCART AUDIO AMP
2011.11.21
Copyright ⓒ 2012 LG Electronics. Inc. All right reserved.
Only for training and service purposes
LGE Internal Use Only

Other manuals for LG 55G2

Related product manuals