EasyManua.ls Logo

LG 55G2 - HEADPHONE AMP

LG 55G2
122 pages
Print Icon
To Next Page IconTo Next Page
To Next Page IconTo Next Page
To Previous Page IconTo Previous Page
To Previous Page IconTo Previous Page
Loading...
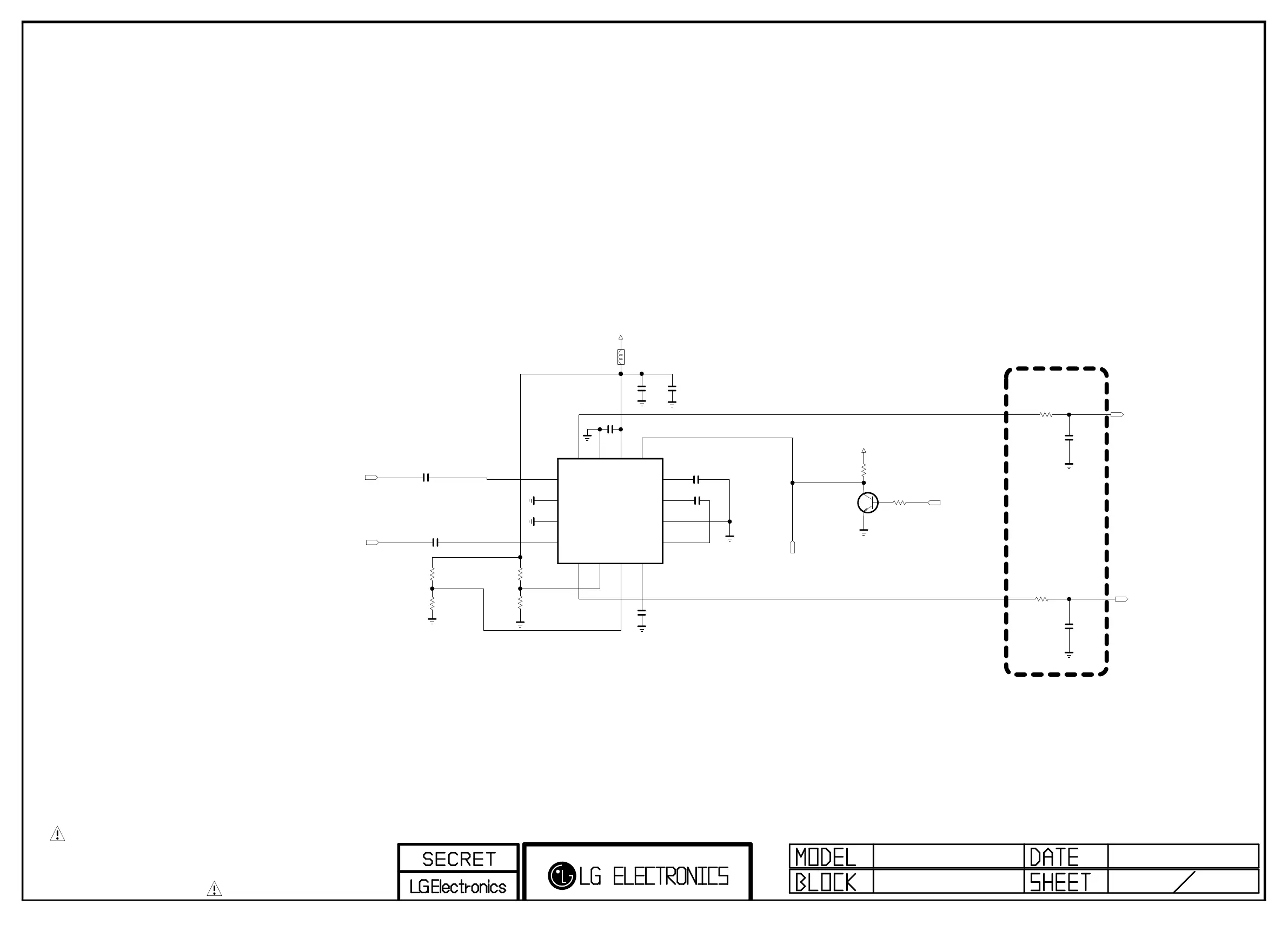
THE SYMBOL MARK OF THIS SCHEMETIC DIAGRAM INCORPORATES
SPECIAL FEATURES IMPORTANT FOR PROTECTION FROM X-RADIATION.
FILRE AND ELECTRICAL SHOCK HAZARDS, WHEN SERVICING IF IS
ESSENTIAL THAT ONLY MANUFATURES SPECFIED PARTS BE USED FOR
THE CRITICAL COMPONENTS IN THE SYMBOL MARK OF THE SCHEMETIC.
R6403
OPT
4.7K
HP_ROUT
+3.3V_NORMAL
C6400
1uF
10V
L6400
120-ohm
BLM18PG121SN1D
SIDE_HP_MUTE
R6404
4.7K
C6401
1uF
10V
C6405
0.1uF
16V
C6402
1uF
10V
HP_ROUT_MAIN
R6400
4.7K
R6405
1K
C6406
2.2uF
10V
HP_LOUT
Q6400
MMBT3904(NXP)
E
B
C
IC6400
TPA6132A2
EAN60724701
3
INR+
2
INL+
4
INR-
1
INL-
5
OUTR
6
G0
7
G1
8
HPVSS
9
CPN
10
PGND
11
CPP
12
HPVDD
13
EN
14
VDD
15
SGND
16
OUTL
HP_LOUT_MAIN
R6401
OPT
R6402
4.7K
+3.3V_NORMAL
C6404
2.2uF
10V
C6407
2.2uF
10V
C6403
10uF
10V
HP_AMP_MUTE
R6406
10
1/16W
5%
R6407
10
1/16W
5%
C6408
0.47uF
16V
C6409
0.47uF
16V
2011.06.29
HEADPHONE AMP
61
EARPHONE AMP
From Micom
Close to the IC
Low Pass Filter
Place Near jack Side
Copyright ⓒ 2012 LG Electronics. Inc. All right reserved.
Only for training and service purposes
LGE Internal Use Only

Other manuals for LG 55G2

Related product manuals