EasyManua.ls Logo

LG A2UH146FA0 - Page 65

LG A2UH146FA0
78 pages
Print Icon
To Next Page IconTo Next Page
To Next Page IconTo Next Page
To Previous Page IconTo Previous Page
To Previous Page IconTo Previous Page
Loading...
Service Manual 65
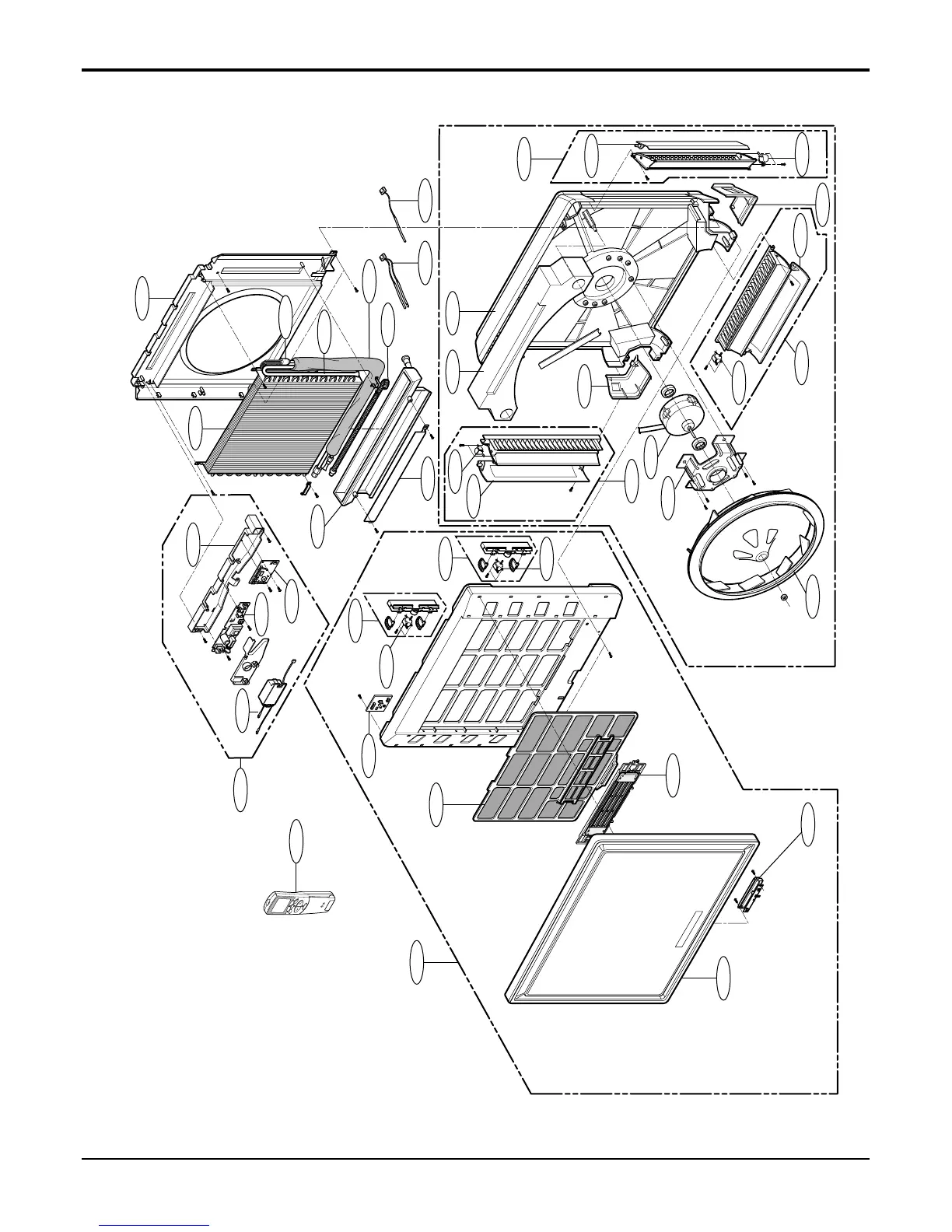
Exploded View & Replacement Parts List
359012
135515
267110
135500-3
349600
135500-2
135311-1
146811
147581
330870
135311-3
146811
346810
135500-1
146811
135311-2
131410
352380
352150
35211B
263230-2 263230-1
147581
152302
135314
268712
268717
135316
354210
144710-2
146811
146811
144710-1
147581
352116
352115
249951
249941
266090
268715
159830
268716
SP1 Chassis

Related product manuals